Bourns Encodeur à anneau incrémentiel longue durée PER21
Le sélecteur à anneau incrémentiel longue durée PER21 de Bourns dispose d'un diamètre de boîtier de 21 mm avec un courant nominal de contactde 10 mA à 5 VCC et une sortie de code en quadrature à 2 bits. Le PER21 offre un retour de détente haptique, un style de montage traversant et une sensation de rotation de haute classe. Ce sélecteur à anneau incrémentiel de longue durée PER21 dispose d'une plage de température de fonctionnement de -10 °C à +60 °C. Les applications standard comprennent les équipements audio professionnels, les équipements médicaux et de diagnostic à risque faible/moyen, les électroménagers grand public et les commandes d'automatisation industrielle.Caractéristiques
- Encodeur incrémentiel à profil mince
- Sensation de rotation de haut niveau
- Style de montage traversant
- Retour de détente haptique
- Conforme à la directive RoHS
Applications
- Équipement audio professionnel
- Consoles d'éclairage professionnelles
- Électroménager grand public
- Équipement médical et de diagnostic à risque faible/moyen
- Équipement de test et de mesures
- Équipement de communications
- Équipement de laboratoire
- Contrôles d'automatisation industrielle
Caractéristiques techniques
- Valeur nominale du nombre de cycles de rotation : 50 000
- Vitesse de rotation maximale de 60 tr/min
- 10 mA à une tension nominalede contact 5 VCC
- Sortie de code de quadrature 2 bits
- Plage de température de fonctionnement de -10 °C à +60 °C
- Plage de température de stockage de -40 °C à +85 °C
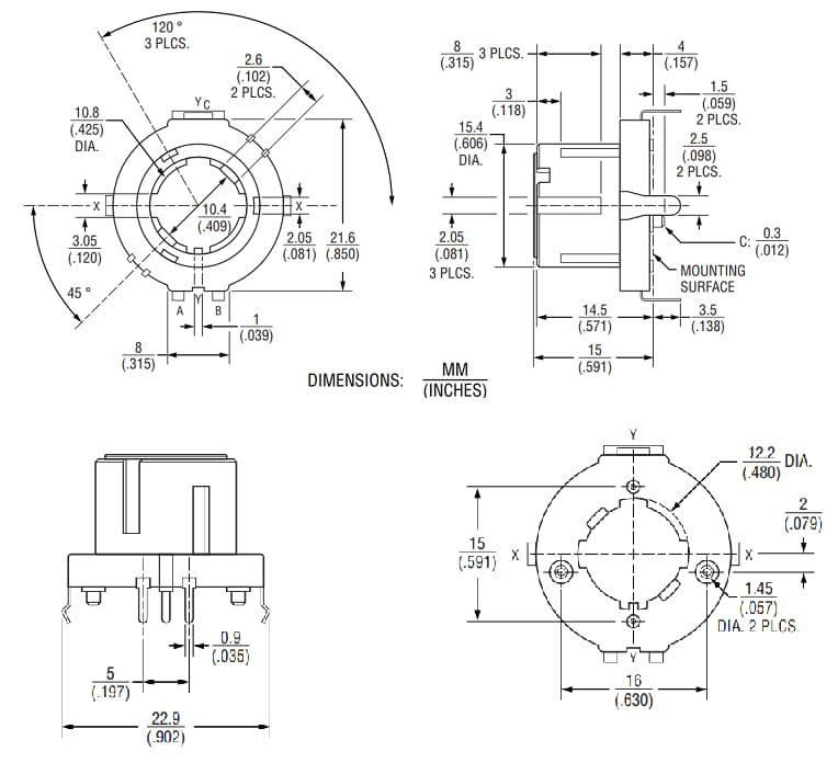
Plan mécanique
Publié le: 2021-07-29
| Mis à jour le: 2022-03-11
