Monolithic Power Systems (MPS) MP3383 Step-Up WLED Controllers
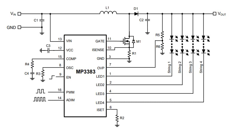
Monolithic Power Systems (MPS) MP3383 Step-Up WLED Controllers include four LED current channels. These controllers can expand the number of LED channels with two or more ICs in parallel sharing a single power source. The MP3383 WLED controllers employ peak current control mode with a fixed Switching Frequency (fSW) that is configurable through an external setting resistor. These controllers drive an external MOSFET to boost up the output voltage from a 6V to 33V input voltage (VIN) supply range.The MP3383 WLED controllers feature a 4-string, maximum 400mA/string WLED driver, 80V absolute maximum rating for each string, 3% current accuracy, and LED open and short protection. These controllers also feature configurable recoverable Over-Voltage Protection (OVP), Over-Temperature Protection (OTP), and short inductor and diode protection. The MP3383 WLED controllers support direct Pulse Width
Modulation (PWM) dimming and analog dimming using a PWM input. These controllers are designed to drive WLED arrays for large LCD panel backlighting applications. Typical applications include desktop LCD flat-panel displays, all-in-one PCs, and 2D and 3D LCD TVs.
Features
- 4-string, maximum 400mA/string WLED driver
- Configurable recoverable Over-Voltage Protection (OVP)
- Over-Temperature Protection (OTP)
- Short inductor and diode protection
- LED open and short protection
- Direct Pulse Width Modulation (PWM) dimming
- Analog dimming using a PWM input
- Short inductor and diode protection
- Available in SOIC-16 and TSSOP-16EP packages
Specifications
- 6V to 33V input voltage (VIN) range
- 12V gate voltage (VGATE) (VIN > 13V)
- 3% current accuracy
- 80V absolute maximum rating for each string
- 1.8% current matching accuracy between each string
Applications
- Desktop LCD flat-panel displays
- All-in-one PCs
- 2D and 3D LCD TVs
Functional Block Diagram
Application Circuit Diagram
Publié le: 2023-03-10
| Mis à jour le: 2024-10-29
