STMicroelectronics Pilotes octaux côté haut IPS8160HQ
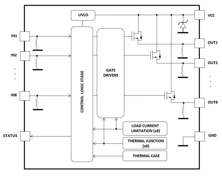
Les pilotes côté haut octaux IPS8160HQ de STMicroelectronics sont des composants monolithiques conçus avec la technologie VIPower M0-3 pour piloter n'importe quelle charge avec un côté connecté à la terre. Ces pilotes disposent d'une entrée compatible CMOS, d'un courant de veille très faible, d'un arrêt en cas de sous-tension et d'une protection contre les surcharges et les courts-circuits avec une limitation du courant de sortie. Les pilotes côté haut IPS8160HQ disposent également d'une protection contre la surchauffe du boîtier pour l'indépendance thermique des canaux, d'une protection contre la perte de terre et d'une broche de diagnostic de coupure thermique.Les pilotes côté haut IPS8160HQ peuvent être pilotés par une alimentation logique de 3,3 V. Ces pilotes côté haut sont protégés par une limitation de courant active, une coupure thermique et un redémarrage automatique contre la surcharge. En cas de surcharge, le canal s’éteint et s’allume automatiquement pour maintenir la température de jonction entre tJSD et tR. Les pilotes côté haut IPS8160HQ sont conçus pour répondre aux normes CEI 61000-4-2, CEI 61000-4-4 et CEI 61000-4-5. Ces pilotes côté haut sont adaptés aux applications industrielles conformes à la norme CEI 61131. Les applications typiques comprennent un contrôle logique programmable, les distributeurs automatiques, les entrées/sorties de périphériques de PC industriels et les machines à commande numérique.
Caractéristiques
- Courant de sortie de fonctionnement :
- 0,7 A (IPS8160HQ)
- 1,0 A (IPS8160HQ-1)
- Entrée compatible CMOS
- Courant de veille très faible
- Coupure en cas de sous-tension
- Protection contre la surchauffe de jonction
- Protection contre la perte de terre
- Broche de diagnostic de coupure thermique
- Protection contre les surcharges et les courts-circuits avec limitation du courant de sortie
- Protection contre la surchauffe du boîtier pour l'indépendance thermique des canaux
- Conçu pour satisfaire les normes CEI 61000-4-2, CEI 61000-4-4 et CEI 61000-4-5
- Boîtier QFN48L 8 mm x 6 mm x 0,9 mm
Caractéristiques techniques
- Tension d’alimentation 45 VCC
- Plage de courant d’entrée CC de -1 mA à 10 mA
- Dissipation d’énergie 4 W à Tc= 25°C
- Plage de tension d’entrée de -0,3 V à 5,5 V
Applications
- Contrôleurs logiques programmables (PLC)
- Distributeurs automatiques
- Entrée/sortie de périphérique PC industriel
- Machines de contrôle numérique
Schéma fonctionnel
