STMicroelectronics Carte d’évaluation Iso-Buck synchrone STEVAL-L6983IV1
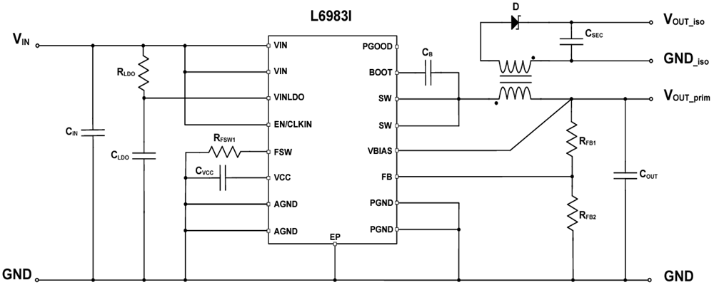
Carte d’évaluation STEVAL-L6983IV1 STMicroelectronics conçue pour évaluer les convertisseurs Iso-Buck synchrones L6983I, 38 V, 10 W pour les applications isolées. Cette carte d’évaluation dispose d’une tension de sortie primaire qui peut être ajustée avec précision et isolée en sortie secondaire, qui est dérivée d’un rapport de transformateur donné. La carte d'évaluation STEVAL-L6983IV1 génère une tension non régulée isolée et fournit la possibilité d'utiliser une post-régulation pour générer une tension double.Caractéristiques
- Conçu pour la topologie iso-Buck
- Tension de fonctionnement d'entrée 4 V à 38 V
- Régulation de la tension en sortie primaire
- Aucun optocoupleur requis
- Capacité de courant primaire de crête source/dissipateur 4,5 A
- Architecture en mode courant de crête en fonctionnement PWM forcé
- Temps d'effacement 390 ns
- Courant de repos de fonctionnement 25 µA
- Fréquence de commutation programmable de 200 kHz à 1 MHz.
- Stable 2 µF minimum avec un condensateur à faible ESR
- Réseau de compensation interne
- Courant d'arrêt de 2 μA
- Démarrage progressif interne
- Activation
- Protection contre les surtensions
- Protection thermique
- Spectre étalé optionnel pour un CEM amélioré
- Bonne alimentation
- Synchronisation à une horloge externe
- Boîtier QFN16 3 mm x 3 mm
Schéma de principe
Schéma du circuit d’application
Publié le: 2023-03-28
| Mis à jour le: 2023-10-05
