Texas Instruments Modules d'évaluation BP-DAC81402EVM / BP-DAC61404EVM
Les modules d’évaluation BP-DAC81402EVM et BP-DAC61404EVM de Texas Instruments sont des plateformes faciles à utiliser conçues pour le DACx140x. Les DAC81404 16 bits (quadruple canal) et DAC61402 12 bits (double canal) (DACx140x) sont des familles de convertisseurs numérique-analogique (CNA) à sortie tamponnée (jusqu’à ±20 V) avec référence interne 2,5 V intégrée.Les modules d'évaluation BP-DAC81402EVM et BP-DAC61404EVM de TI fournissent l'interface de programmation GPIO et SPI à l'aide d'une interface utilisateur graphique (GUI) basée sur PC. Les BP-DAC81402EVM ET BP-DAC61404EVM nécessite le LaunchPad™ MSP-EXP432E401Y pour l'interfacer avec l'interface utilisateur graphique (GUI) basée sur PC.
Caractéristiques
- Non-linéarité intégrale/non-linéarité différentielle (INL/DNL) de 1 LSB à une linéarité de 16 bits
- Référence interne
- Interface périphérique série (SPI)
- Erreur non ajustée totale (TUE) FSR ±0,05 %
- Plages de sortie de 5 V, 10 V, 20 V, 40 V, ±5 V, ±10 V ou ±20 V
Contenu du kit
- DAC61402EVM
- BoosterPack BP-DAC61402EVM
- Composants requis non inclus avec le kit
Présentation
Configuration matérielle
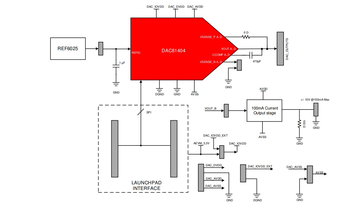
Schéma de principe matériel
Publié le: 2020-10-21
| Mis à jour le: 2024-09-05
