Texas Instruments Dispositif de commande PSE TPS23881B à mode autonome
Le dispositif de commande d’équipement d’alimentation électrique (PSE) Texas Instruments TPS23881B à mode autonome est conçu pour assurer l’alimentation électrique par des câbles Ethernet selon la norme IEEE 802.3bt. Ce contrôleur comprend huit canaux indépendants d'alimentation électrique configurables en combinaison d'accès PoE à 2 paires (1 canal) ou à 4 paires (2 canaux). Le contrôleur de PSE TPS23881B offre la possibilité de programmer la SRAM, une limitation programmable de puissance, une résistance de détection de courant à 200 mΩ et une entrée d'arrêt rapide d'accès à 1 ou à 3 bits. Ce contrôleur de PSE offre des modes de fonctionnement flexible commandés par le processeur, notamment les modes automatique, semi-automatique et manuel/diagnostic.Le dispositif de commande TPS23881B est compatible avec le micrologiciel du système FirmPSE de TI. La SRAM programmable permet une mise à niveau de micrologiciel sur le terrain sur I2C pour assurer l’interopérabilité avec les dispositifs à activation de type PoE et la conformité IEEE. Ce dispositif de commande PSE peut détecter les dispositifs alimentés (PD) incluant une identification mutuelle complète, une signature valide et une alimentation électrique appliquée. Le contrôleur TPS23881B est utilisé dans des commutateurs de petites entreprises, dans des enregistreurs vidéo et dans des commutateurs de branches.
Caractéristiques
- Solution IEEE 802.3bt PSE pour applications de PoE 2 de type 3 ou de type 4
- Mémoire SRAM programmable
- Huit canaux indépendants de PSE
- Résistance de détection de courant = 200 mΩ
- ±2,5 % de précision programmable de la limitation de puissance
- Fonctionnement autonome sélectionnable par résistance (aucun MCU externe n'est nécessaire)
- Sélection d'attributions de puissance d'accès à 2 paires ou 4 paires :
- 15,4, 30, 45, 60, 75 ou 90 W
- Compatibilité avec les PD à signature unique ou double
- Mesure de capacité de PD patrimoniaux
- CAN dédié de courant intégrant de 14 bits par accès :
- MPS immunisés contre le bruit pour déconnexion CC
- 2 % de précision de détection de courant
- Modes flexibles de fonctionnements commandés par processeur :
- Automatique
- Semi-automatique
- Manuel/diagnostic
- Protection d'appel et de repli opérationnelle
- Entrée d'arrêt d'accès rapide de 1 ou 3 bits
- Détection automatique de classe et mesure de puissance
Applications
- Lecteurs vidéo :
- Enregistreurs vidéo en réseau (NVR)
- Enregistreurs vidéo numériques (DVR)
- Commutateurs de petites entreprises
- Commutateurs de campus et de branche
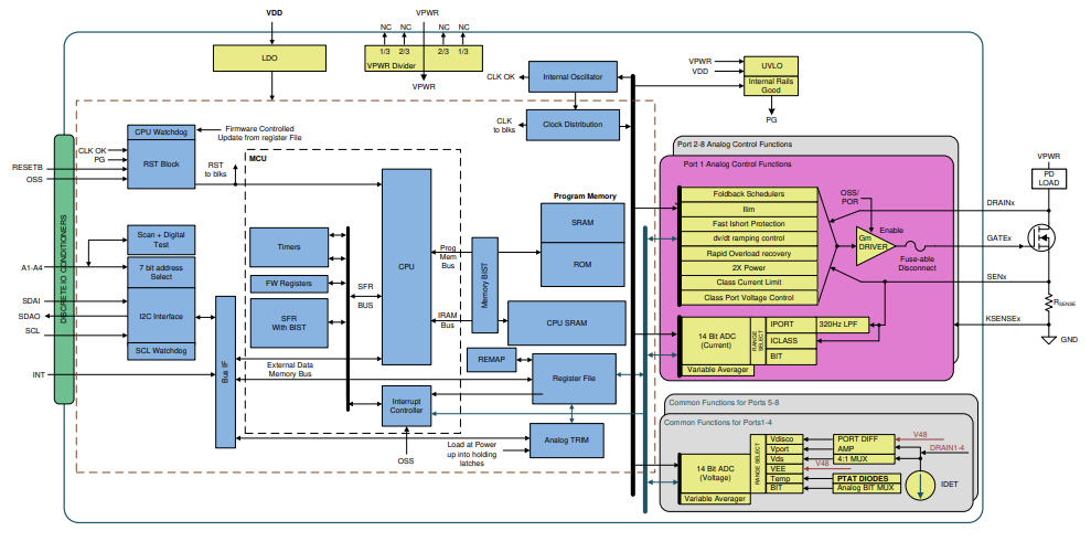
Schéma fonctionnel
Schéma de principe simplifié
Publié le: 2024-07-22
| Mis à jour le: 2024-07-29
