Motor Gate-Drive Isolation: Go Optocoupler, Transformer, or Other
By Bill Schweber for Mouser Electronics
In engineering, the term “isolation” has many meanings. In basic circuitry design, it refers to a topology where two subcircuits of the overall system are electrically separated with no “ohmic” or “galvanic” path between them (infinite resistance), yet signal, power, or both can still pass between those subcircuits.
A tangible example of isolation is the use of an electromechanical relay. The coil-drive circuit and the relay-contact circuit are completely isolated from each other. In fact, the voltage level, current rating, and signal on the coil can be completely different than the same parameters on the contact circuit, a characteristic which is often used to advantage in systems. For example, a 24VDC signal at a few tens of milliamps can control a high-voltage AC signal at many amps, with no electrical contact between the drive and the load. Of course, an electromechanical relay is not suitable for non-stop switching at tens of kHz, so all-electronic alternatives are needed.
Challenge Depends on the Signal Type
Isolation can be for signals or power (both AC and DC). AC is the easiest to isolate, by simply using a traditional transformer. This is often done in AC/DC supplies, where a transformer can pass the line voltage to the system for rectification and regulation, yet there is no path from the system back to AC line or vice versa—thus avoiding ground-related shocks and other potential issues.
For DC power, the isolation situation is more difficult and usually requires chopping the DC to create an AC-like waveform, then using a transformer, and finally rectifying the secondary-side output; alternatively, a switched-capacitor topology can be used.
Isolating an information-bearing signal is a moredifficult challenge. For analog signals, various techniques include modulation of a higher-frequency carrier, then passing it through a transformer or a even a miniature wireless link; or first digitizing the analog signal and then converting it back to analog form. The latter approach is attractive because it is much easier to isolate a digital signal than an analog one, as we will see below as we look at isolation for the gate-drive signal of a motor’s power devices.
Isolation Serves Many Needs
Isolating subsystems is recommended for several reasons. First, it protects the user from a fault on the high-voltage side. For example, if an AC-powered load such as a motor accidentally shorts to the control electronics, the full line potential could reach the user panel and controls—obviously, a dangerous situation.
Second, it protects the electronics against such faults. Again, the high voltage which appears due to internal high-voltage short circuit would not have a path to “ripple back” into the low-voltage control electronics, as it would be blocked by the isolation barrier.
Third, unrelated to faults and failures, isolation is needed due the inherent nature of some common circuit topologies. In a simple example, consider measurement of the voltage across a battery at the top of series stack of hundreds of batteries, such as in an electric or hybrid vehicle. Although the battery itself has low, safe voltage across it, the battery is at several hundred volts above ground and, therefore, is at a high and dangerous potential. By isolating the battery measurement circuitry from ground, only the small voltage of the battery will be seen.
Finally, although isolation is often needed only on the high side, designers usually include it in on both high and low sides, for several reasons. In addition to affording safety, isolation also:
- Reduces some common-mode noise that might inadvertently trigger the MOSFET.
- Offers some additional flexibility in some of the finer details of overall circuit configuration.
- Ensures that the two drive paths are symmetrical, with equal propagation delays, minimal inter-channel timing skew, and other differences which would affect critical gate-drive timing.
Isolation for Motors: Both Voltage and Topology
Many motors operate at high voltages, so there are immediate user safety and system fault-protection issues. However, isolation is needed because many motor-drive circuits need it to function properly. Consider the basic half-bridge or H-bridge design used for controlling a motor via MOSFETs (or IGBTs), as shown in Figure 1.
Figure 1: The classic H-bridge motor drive configuration shows how four controlled switches can be used to manage motor direction, as pairings of opposite switches are open and closed. (Source: blog.solutions-cubed.com)
In the bridge arrangement, gate drivers are positioned between the control electronics and the power devices. By turning the crosswise switching pairs of the upper/lower power devices on (and off), the motor is controlled to run forward or reverse. But also note that the upper-side power device cannot be connected to ground as it is connected between the supply rail and the motor as load. At the same time, the driving circuitry is ordinarily connected to ground, shorting out the upper-side device and rendering the circuit useless. The solution is to use isolation between the control electronics and the MOSFET (or IGBT) drivers. This isolation ensures that the signal that turns on the gate drivers—and thus the MOSFETs—has no path to ground, as shown in Figure 2.
Figure 2: The path between low-voltage control signal, to gate driver, to controlled power device (MOSFET or IBGT), and then to motor often needs galvanic isolation for both safety and circuit functionality.
Magnetic and Optical Isolation
Two approaches are commonly used for providing isolation for motor-gate drivers: Magnetic and optical. Both are conceptually simple but involve many subtleties in component choice and design-in techniques.
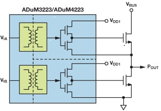
The magnetic approach uses a pulse transformer interposed between the control electronics and the gate-driver input. The signal that turns the gate driver on or off (and that turns the MOSFET on or off) goes through this transformer, which is inherently a non-grounded component. The transformer can be a discrete device or can be physically implemented as part of a hybrid-like IC (
Figure 3), where integrates a planar pulse transformer into a single component in their
ADuM Series.
Figure 3: Magnetic isolation can use either discrete transformers, shown (left) schematically or (right) built as planar co-located coils in an IC-like package of the ADuM3223 and ADuM4223 construction. (Source: Analog Devices, Inc.)
The optical approach uses an optocoupler (also called an optoisolator) which combines an LED and phototransistor in a single package. The LED is driven by the control signal, converts the electrical input into photons, and channels these photons along a constrained optical path where they reach the phototransistor. That device reconverts the photons and signal they represent into an electrical signal, so the photonic path acts as the electrical isolation barrier. Both the input and output sides are relatively easy to interface with their associated circuitry, many are available with the same packaging as conventional ICs.
They can even be tailored to loads, such as the Avago ACPL-P341 and ACPL-W341 3A IGBT gate-drive optocoupler for IGBTs and MOSFETs (Figure 4). Its voltage and high peak-output current supplied by this optocoupler make it well-suited for direct driving of devices with ratings up to 1200V/100A.
Figure 4: The optoisolator is a widely used alterative to magnetic isolation, and it offers compact design and simple interfacing. (Source: Avago/Broadcom)
There are also isolation devices such as those in the family from based on capacitive coupling of a high-frequency signal within a CMOS IC (Figure 5). These offer many beneficial attributes, including operation into the 100Mbps range, but this speed is unneeded for motor control, which is usually in the tens-of-kHz zone. These isolating devices are providing an alternative to established magnetic and optical isolation approaches.
Figure 5: Capacitive coupling within an IC-like package of the Si828x series provides a newer isolation option, and it offers small size with high isolation voltage. (Source: Silicon Laboratories)
Making the Decision
The obvious question is: Should this design use magnetic or optical coupling, or perhaps a newer technology? As in most engineering decisions, the answer is simple: It depends. Factors include maximum voltage rating, cost, product size, longevity, and regulatory requirements. For any general statement about attributes of each approach, there will usually be devices and examples that are exceptions to that statement. But among the relevant parameters are these considerations:
Maximum voltage and isolation rating: These are determined by both the underlying technology and device physics. All technologies are offered up to several thousand volts, but transformer isolators can be designed to go into the tens of kV range, if needed.
Performance needs: All types can provide performance which meets most basic requirements with respect to speed for motor-driver applications.
Performance needs: All types can provide performance which meets most basic requirements with respect to speed for motor-driver applications.
Ruggedness needs: Transformer-based components offer enhanced ruggedness and can withstand overvoltage and abuse (spikes, surges) better than optical or capacitive devices. They can also tolerate higher temperatures, a consideration in many industrial situations.
Cost and size: Optical and capacitive devices tend to be less costly and are also available in multichannel packages with two, four, and more devices per package which saves space.
Transformer needs: Transformers such as the Pulse Engineering PH9400 can also be multichannel, but in a different way than active devices, as they are also offered with a single primary winding and multiple secondary windings, and so can interface with multiple gate drivers (Figure 6).
Figure 6: Transformers can easily support multichannel isolation by using a single primary winding and matched secondary windings, as shown in this schematic of the PH9400 device. (Source: Pulse Engineering)
Longevity: A pulse transformer used within its specification limits has no wear-out mechanism, while optical devices do have an issue with degradation even in normal use, as their current transfer ratio (CTR) between LED and phototransistor decreases to where the unit no longer switches. Note that some vendors do guarantee 20+ years of life, demonstrated by accelerated-life tests.
Regulatory issues: As many of these isolators are over at a wide range of voltages, from tens to thousands of volts, they must meet various safety mandates for physical spacing and material in their internal paths and circuit connections; tiny SMT packages cannot be used in the kV domain. There are also requirements of minimum creepage and clearance versus maximum voltage, Figure 7a and Figure 7b, which may dictate which isolation technology is acceptable.
7a
7b
Figures 7a and 7b: Creep and clearance dimensions are a function of operating and fault-induced voltages. Figure 7a shows the broad-view of these safety attributes; Figure 7b shows a cross-section view of their meaning. (Sources: PCB Tech Guide; SMPS.com)
Customization: By their nature, transformer-based devices can be designed and fabricated to meet unique specifications, although doing so may be costly and also involve time-consuming, costly qualification to performance and safety standards.
Conclusion
Although the subject of isolation for motor drives is often not taught in engineering school, it is an important issue in the real world of circuit-design topology, high voltages, and user/equipment safety in normal operation and in case of failure. Factors to keep in mind are:
- Electrical isolation is needed for user safety and system protection, in some cases.
- Even when these protection issues are not present, it also allows the power device gate driver and associated MOSFET/IGBT to “float” and have no connection or reference to ground or circuit common, which is a circuit necessity in many situations.
- Isolation can be achieved using transformers or optocouplers, as well as capacitive and even RF techniques.
- Each choice offers performance differences in voltage specifications, overall capabilities, long-term reliability, environmental ruggedness, size, cost, and customization options.
In many applications, there are also critical regulatory safety mandates which must be understood and met.
Bill Schweber is a contributing writer for Mouser Electronics and an electronics engineer who has written three textbooks on electronic communications systems, as well as hundreds of technical articles, opinion columns, and product features. In past roles, he worked as a technical web-site manager for multiple topic-specific sites for EE Times, as well as both the Executive Editor and Analog Editor at EDN.
At Analog Devices, Inc. (a leading vendor of analog and mixed-signal ICs), Bill was in marketing communications (public relations); as a result, he has been on both sides of the technical PR function, presenting company products, stories, and messages to the media and also as the recipient of these.
Prior to the MarCom role at Analog, Bill was associate editor of their respected technical journal, and also worked in their product marketing and applications engineering groups. Before those roles, Bill was at Instron Corp., doing hands-on analog- and power-circuit design and systems integration for materials-testing machine controls.
He has an MSEE (Univ. of Mass) and BSEE (Columbia Univ.), is a Registered Professional Engineer, and holds an Advanced Class amateur radio license. Bill has also planned, written, and presented on-line courses on a variety of engineering topics, including MOSFET basics, ADC selection, and driving LEDs.