Analog Devices Inc. ADF4371/ADF4372 Microwave Wideband Synthesizer

Analog Devices ADF4371/ADF4372 Microwave Wideband Synthesizer allows implementation of fractional-N or Integer N phase-locked loop (PLL) frequency synthesizers when used with an external loop filter and an external reference frequency. The wideband microwave voltage controlled oscillator (VCO) design allows frequencies from 62.5MHz to 32GHz (ADF4371) or 62.5MHz to 16GHz (ADF4372) to be generated.

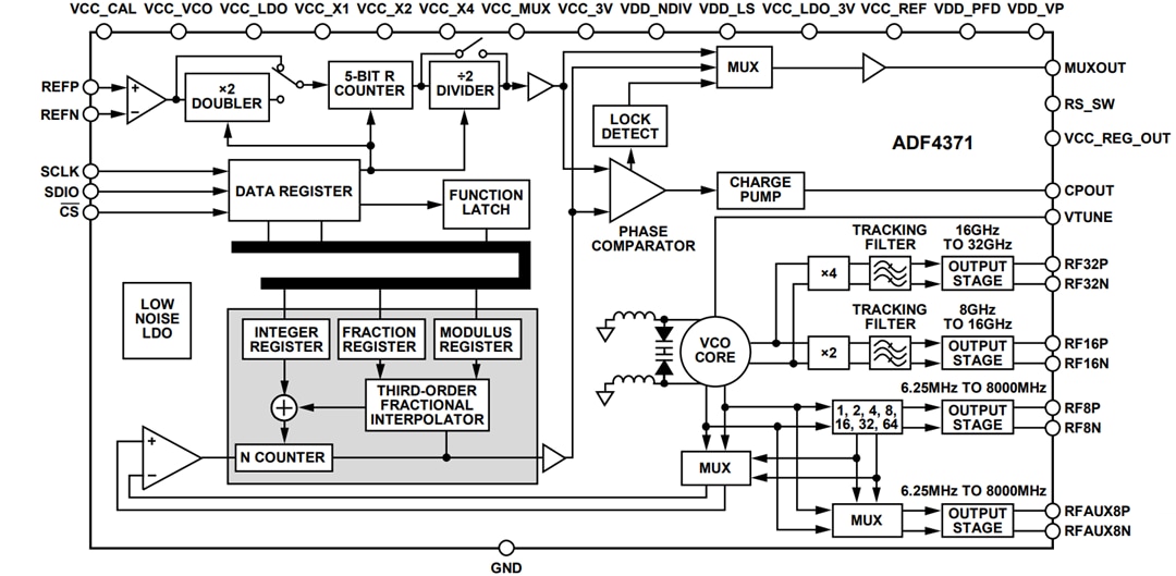
The ADF4371/ADF4372 has an integrated VCO with a fundamental output frequency ranging from 4000MHz to 8000MHz. In addition, the VCO frequency is connected to divide by 1, 2, 4, 8, 16, 32, or 64 circuits that allows the user to generate radio frequency (RF) output frequencies as low as 62.5MHz at RF8x. A frequency multiplier at RF16x generates from 8GHz to 16GHz. A frequency quadrupler generates frequencies from 16GHz to 32GHz at RF32x for the ADF4371. RFAUX8x duplicates the frequency range of RF8x or permits direct access to the VCO output. To suppress the unwanted products of frequency multiplication, a harmonic filter exists between the multipliers and the output stages of RF16x and RF32x (ADF4371 only).

Control of all on-chip registers is through a 3-wire interface. The ADF4371/ADF4372 operates with analog and digital power supplies ranging from 3.15V to 3.45V, and 5V for the VCO power supply. The ADF4371/ADF4372 also contains hardware and software power-down modes.

Features

  • RF output frequency range
    • ADF4371 - 62.5MHz to 32,000MHz
    • ADF4372 - 62.5MHz to 16,000MHz
  • Fractional-N synthesizer and Integer N synthesizer
  • High resolution 39-bit fractional modulus
  • -90dBc Typical spurious PFD
  • 38fs (1kHz to 100MHz) Integrated rms jitter
  • -234dBc/Hz Normalized phase noise floor
  • PFD operation to 250MHz
  • Reference frequency operation to 600MHz
  • Programmable divide by 1, 2, 4, 8, 16, 32, or 64 output
  • 62.5MHz to 8,000MHz output at RF8x and RFAUX8x
  • 8,000MHz to 16,000MHz output at RF16x
  • 16,000MHz to 32,000MHz output at RF32x (ADF4371 only)
  • Lock time approximately 3ms with automatic calibration
  • Lock time <30μs with auto-calibration bypassed
  • 3.3V Analog and digital power supplies
  • VCO power supply: 3.3V and 5V
  • RF output mute function
  • 7mm × 7mm, 48-terminal LGA package

Applications

  • Wireless infrastructure (multicarrier global system for mobile communication (MC-GSM), 5G)
  • Test equipment and instrumentation
  • Clock generation
  • Aerospace and defense

Videos

Additional Resources

How Error Vector Magnitude (EVM) Measurement Improves Your System-Level Performance

Discover an extremely useful metric that is defined in many communication standards as a compliance test for applications such as wireless local area networks (WLAN 802.11), mobile communications (4G LTE, 5G), and many more

Learn More

 

60GHz Wireless Data Interconnect for Slip Ring Applications

This article summarizes the main requirements of modern industrial applications on a communication interface between mechanically rotating subsystems. It gives a concise overview of these technologies and discusses their main advantages and disadvantages.

Learn More

 

Deliver Ground Breaking Low Phase Noise and Spur Performance

Increasing demands for frequency bandwidth, throughput, and dynamic range in communications systems, together with the need for higher antenna frequencies used in millimeter-wave 5G, have all placed further demands on the quality of the local oscillator (LO) or clock used in communications or mixed-signal systems, respectively. Discover Analog Devices’ efforts to address the needs of these demanding applications.

Learn More

 

Achieve the Best Phase Noise Performance

This solution describes how to achieve ultralow phase noise with unmatched spurious performance without requiring
complex filtering.

Learn More

Block Diagram

Block Diagram - Analog Devices Inc. ADF4371/ADF4372 Microwave Wideband Synthesizer
Publié le: 2019-03-05 | Mis à jour le: 2025-03-04