Solution d'alimentation intégrée à quadruple régulateur Buck ADP5054 Analog Devices

Solution d'alimentation intégrée à quadruple
régulateur Buck ADP5054 Analog Devices

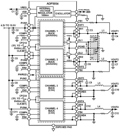
La solution d'alimentation intégrée à quadruple régulateur Buck ADP5054 Analog Devices combine quatre régulateurs Buck de hautes performances dans un boîtier LFCSP à 48 fils. L'ADP5054 satisfait aux exigences élevées de performance et d'encombrement de carte. Ce composant permet une connexion directe à des tensions d'entrée élevées pouvant atteindre 15 V sans pré-régulateurs.

Les canaux 1 et 2 intègrent des MOSFET de puissance à haute tension et des pilotes de MOSFET à basse tension. Les concepteurs peuvent utiliser des NFET externes dans les composants de puissance côté bas pour réaliser une solution optimisée sur le plan du rendement et produire un courant de sortie programmable de 2 A, 4 A et 6 A. La combinaison des canaux 1 et 2 en configuration parallèle procure une seule sortie avec un courant pouvant atteindre 12 A.

Les canaux 3 et 4 intègrent des MOSFET à haute et basse tension afin de fournir un courant de sortie de 2,5 A. La combinaison des canaux 3 et 4 en configuration parallèle procure une seule sortie avec un courant pouvant atteindre 5 A.

Les concepteurs peuvent programmer ou synchroniser la fréquence de commutation de l'ADP5054 à une horloge externe de 250 kHz à 2 MHz. Une configuration individuelle à 1/2 fréquence est possible pour chaque canal. Conçu avec une broche d'activation de précision individuelle sur chaque canal, l'ADP5054 offre un séquencement d'allumage facile. La référence de bruit 1/f faible et interne est mise en œuvre sur l'ADP5054 pour les applications sensibles au bruit.

La solution d'alimentation intégrée à quadruple régulateur Buck ADP5054 est idéale pour les applications de processeur et FPGA, les stations de base de type petite cellule, la sécurité et la surveillance ainsi que les applications médicales.

Caractéristiques
  • Large plage de tensions d'entrée : de 4,5 V à 15 V
  • Précision de sortie de ±1,5 % sur l'ensemble de la plage de températures
  • Fréquence de commutation réglable de 250 kHz à 2 MHz avec une option individuelle de 1/2 fréquence
  • Régulation d'alimentation
    • Canaux 1 et 2 : régulateurs Buck synchronisés programmables 2 A/4 A/6 A avec pilote FET basse tension
    • Voies 3 et 4 : régulateurs Buck synchronisés 2,5 A
  • Fonctionnement en parallèle flexible
    • Sortie unique 12 A (voies 1 et 2 en parallèle)
    • Sortie unique 5 A (voies 3 et 4 en parallèle)
  • Faible densité de bruit 1/f (~40 µVrms à 0,8 VREF 10 Hz à 100 kHz)
  • Activation de précision avec seuil de précision de 0,8 V
  • Commutateur de décharge active en sortie
  • Sélection de mode FPWM/PSM
  • Synchronisation de la fréquence en entrée ou sortie
  • Pavillon Power-good pour la sortie du canal 1
  • Protection UVLO, OCP et TSD
  • LFCSP de 7 mm × 7 mm, 48 fils
  • Plage de température de jonction : de –40 °C à +125 °C
Applications
  • Applications FPGA et processeurs
  • Stations de base à petites cellules
  • Surveillance et sécurité
  • Applications médicales

Circuit d'application standard
Circuit d'application standard
eNews
  • Analog Devices Inc.
Publié le: 2015-04-23 | Mis à jour le: 2025-01-28