Analog Devices Inc. Isolateurs I2C ADuM1254 et ADuM1255
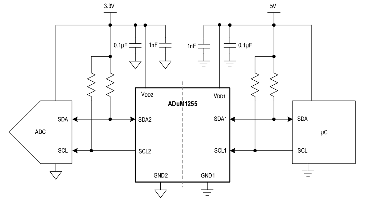
Les isolateurs I2C ADuM1254 et ADuM1255 d'Analog Devices fournissent deux canaux à drain ouvert, un unidirectionnel et un bidirectionnel pour les applications qui nécessitent que les données soient transmises dans les deux sens sur la même ligne, mais qui ont une horloge unidirectionnelle. Les sorties du côté 1 comportent des tampons spéciaux qui régulent la tension logique basse à 0,64 V, et le seuil de la logique d'entrée est inférieur d'au moins 50 mV à la tension de sortie de la logique basse, ce qui empêche l'action de verrouillage. Le côté 2 est équipé de tampons traditionnels qui ne régulent pas la tension de sortie de la logique basse. Les isolateurs ADuM1255 d'Analog Devices offrent des alimentations indépendantes de 2,25 V à 5,5 V des deux côtés, et les dispositifs fonctionnent jusqu'à 2 MHz. L'ADuM1255 fournit une connexion de bus sans perturbation pour les connexions à branchement à chaud sur le côté 2 en préchargeant les broches du bus, en surveillant l'état du bus pour un bus inactif, ou en détectant une condition d'arrêt I2C avant de connecter les côtés 1 et 2.Caractéristiques
- Faible VOL(MAX) pour une meilleure compatibilité avec dispositif I2C
- Côté 1 à 0,69 V
- Côté 2 à 0,4 V
- Les alimentations indépendantes VDD1/VDD2 prennent en charge les niveaux de tension logique de 3,3 V et 5 V et permettent un décalage de niveau, de 2,25 V à 5,5 V pour les deux côtés
- Les E/S du côté 2 permutables à chaud empêchent la corruption des données. La connexion initiale du côté 2 se produit aux états de bus inactif ou d’arrêt
- Transfert de données I2C bidirectionnel jusqu'à 2 MHz SCL
- Dissipation de courant élevée permettant des valeurs RPULL-UP plus faibles pour des vitesses de bus plus élevées
- Côté 1 à 5 mA
- Côté 2 à 50 mA
- Distance d'isolement et espacement du boîtier
- SOIC 8 broches étroit à 4 mm
- SOIC 8 broches large de 8 mm
- Isolation galvanique robuste des signaux numériques
- Résiste en continu (VIOWM)
- SOIC 8 broches étroit à 445 VRMS
- SOIC 8 broches large à 848 VRMS
- Résiste en continu (VIOWM)
- Supporte les surtensions ±10 kV conformément à CEI 61000-4-5
- Approbations réglementaires et de sécurité (en attente)
- CEI 60747-17 (en attente)
- SOIC étroit renforcé avec VIORM à 630 VPEAK
- SOIC large renforcé avec VIORM à 1 200 VPEAK
- SOIC 8 étroit UL 1577 (en attente) à 3 000 VRMS pendant 1 minute
- SOIC 8 large à 5 000 VRMS pendant 1 minute
- CEI 60747-17 (en attente)
- CEI/EN/CSA 62368-1 (en attente)
- CEI/EN/CSA 61010-1 (en attente)
- CAN/CSA-C22.2 n° 14-18 (en attente)
Applications
- Interfaces I2C/SMBus isolées
- Systèmes de gestion de batterie
- Alimentation via Internet (PoE)
- Systèmes de contrôle de moteur
Vidéos
Schémas d'application simplifiés
Schémas de test de synchronisation
Définition du paramètre de synchronisation
Publié le: 2024-08-30
| Mis à jour le: 2024-12-26
