Analog Devices Inc. Circuit de démonstration DC2594A LTM4655
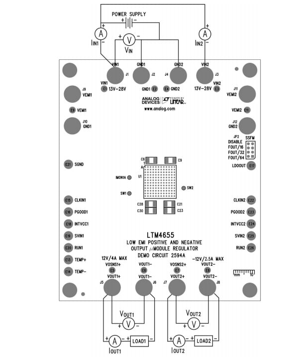
Le circuit de démonstration DC2594A LTM4655 d'Analog Devices Inc. offre une méthode facile pour mesurer et évaluer les régulateurs μModule® inverseurs doubles/simples LTM4655. Le LTM4655 est un régulateur μModule® CC-CC inverseur de 50 W, abaisseur 8 A simple ou 4 A double, 40 V conforme à EN55022B.Le circuit de démonstration DC2594A LTM4655 d'ADI a défini les fréquences de commutation des deux canaux à 1,2 MHz. Supposons que la tension de sortie s'effondre suffisamment en raison d'une surcharge ou d'un court-circuit. Dans ce cas, l'oscillateur interne se repliera sur un cinquième de la fréquence de commutation programmée du LTM4655, protégeant ainsi l'interrupteur d'alimentation contre les dommages.
Caractéristiques
- Cavalier SSFM pour options à spectre étalé
- Entrées CLKIN pour synchronisation externe
- Signaux PGOOD pour chaque sortie
Ressources supplémentaires
Présentation générale
Configuration correcte de l'équipement
Publié le: 2021-08-13
| Mis à jour le: 2022-03-11
