Analog Devices Inc. Circuits de démonstration DC2922A-A/DC2922A-B pour LTC7802
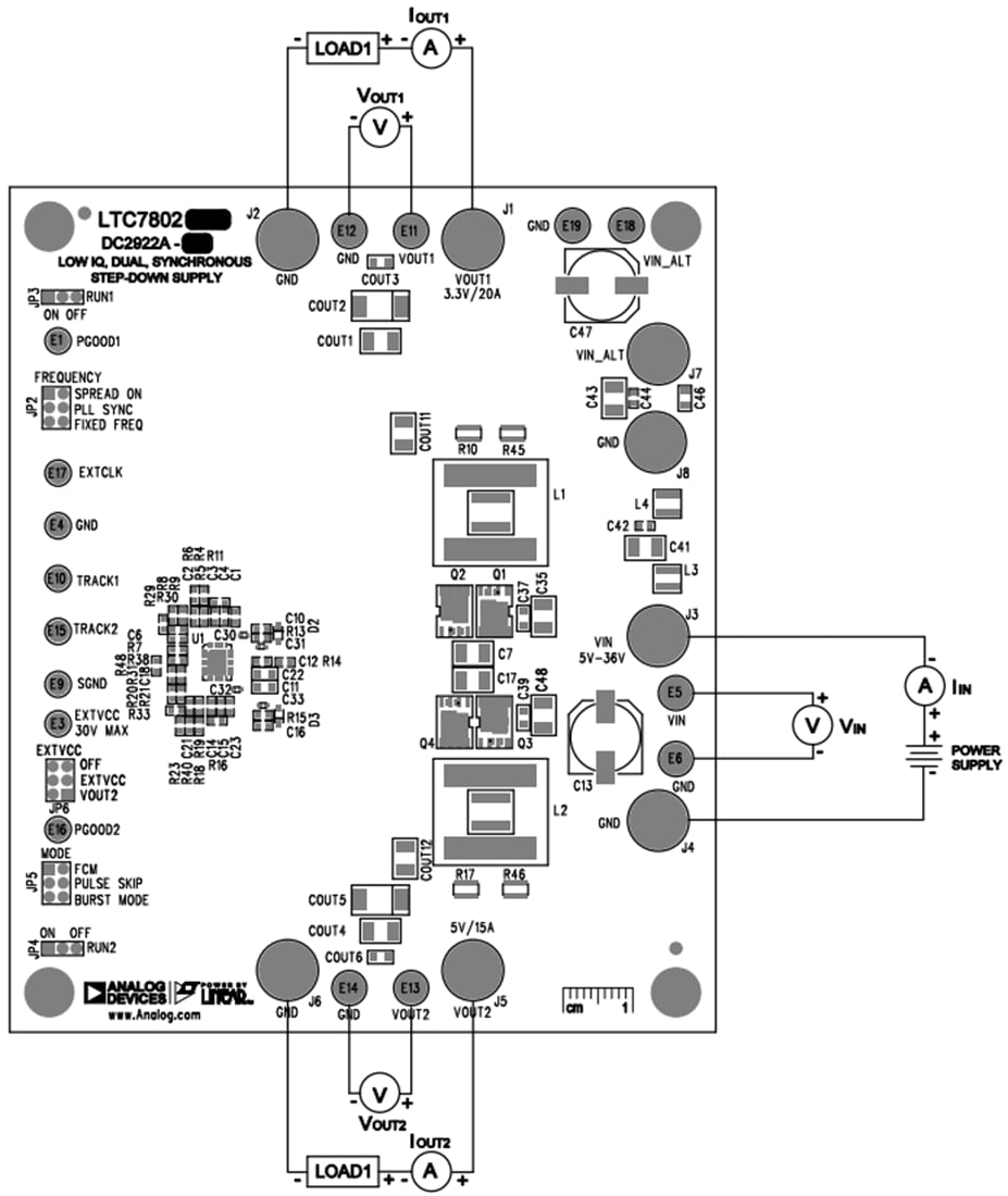
Les circuits de démonstration DC2922A-A/DC2922A-B d'Analog Devices Inc. sont des doubles convertisseurs CC-CC abaisseurs dotés des contrôleurs PWM LTC®7802 ou LTC7802-3.3. Les deux CI de commande utilisés sur ces cartes de démonstration sont des contrôleurs abaisseurs synchrones biphasés à faible IQ de 40 V et spectre étalé. Et les deux cartes de démonstration fonctionnent sur une plage de tension d'entrée de 5 V à 36 V et fournissent 3,3 V à 20 A et 5 V à des sorties de 15 A. Le DC2922A-A utilise le LTC7802 et dispose d'un réseau de diviseur de résistance pour définir la sortie à 3,3 V. Le DC2922A-B utilise le LTC7802-3.3 et dispose d'une sortie fixe de 3,3 V sans nécessiter le réseau de diviseur de résistance.Certaines des caractéristiques clés des cartes DC2922A-A/DC2922A-B d'Analog Devices Inc. comprennent un cavalier de FRÉQUENCE pour option d'horloge externe ou à spectre étalé. Elles disposent également d'un cavalier EXTVCC pour VOUT2, EXTVCC ou VCC dérivé en entrée, un cavalier en MODE qui permet au convertisseur de fonctionner en FCM, saut d'impulsion ou fonctionnement en Burst Mode® et signaux PGOOD pour chaque sortie. Les deux canaux peuvent être mis en parallèle pour un courant de sortie plus élevé.
Configuration de l'équipement
Publié le: 2021-08-06
| Mis à jour le: 2022-03-11
