Analog Devices Inc. Circuit de démonstration DC3082A-C pour LTM4681
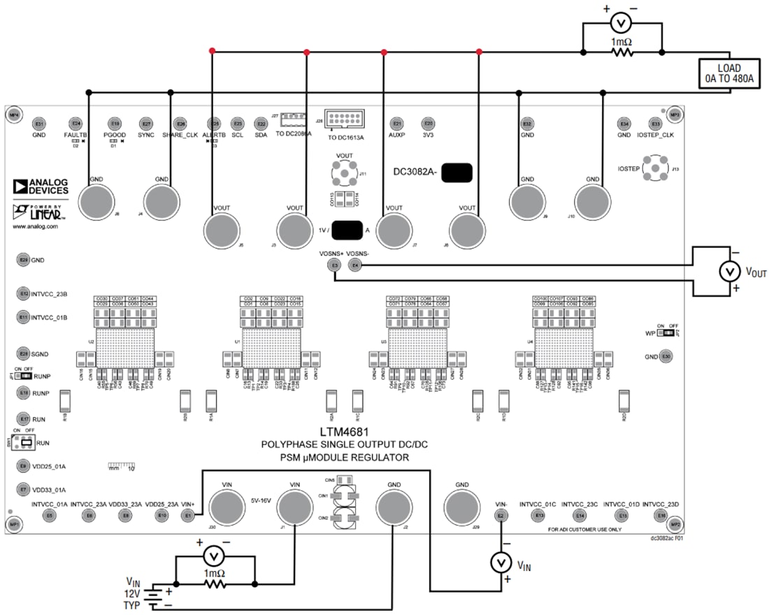
Circuit de démonstration DC3082A-C d'Analog Devices Inc. pour LTM4681, un régulateur μModule® abaisseur CC/CC à simple sortie PolyPhase®. Le LTM4681 est fourni avec une gestion de système d'alimentation numérique. Le DC3082A-C est configuré comme une sortie monophasée à 16 phases utilisant 4 régulateurs LTM4681. La tension d'entrée pré-réglée en usine est de 12 V standard et la tension de sortie de 1 V à 480 A standard ou 500 A en pointe avec un flux d'air forcé de 400 LFM recommandé. Les tensions de sortie de la carte de démonstration peuvent être ajustées de 0,6 V à 1 V. La programmation des tensions de sortie à une valeur supérieure à 1 V nécessite un courant de sortie de déclassement basé sur des courbes de déclassement thermique fournies dans la fiche technique du LTM4681. Le dissipateur de chaleur ou d'autres systèmes de refroidissement électronique appropriés peuvent également être utilisés avec un flux d'air forcé pour optimiser davantage la puissance de sortie lorsque la sortie est allumée et chargée avec un courant de sortie maximal.La fréquence de commutation pré-réglée en usine est de 350 kHz standard. Le DC3082A-C d'Analog Devices Inc. est fourni avec une interface PMBus et des fonctions de gestion de système d'alimentation numérique. Un connecteur 12 broches embarqué est disponible pour permettre aux utilisateurs de connecter le dongle DC1613A à la carte de démonstration. Ce connecteur fournit un moyen facile de communiquer et de programmer la pièce à l'aide de l'outil de développement logiciel LTpowerPlay®. Le logiciel LTpowerPlay et la clé électronique I2C/PMBus/SMBus DC1613A permettent aux utilisateurs de surveiller la télémétrie en temps réel des tensions d'entrée et de sortie, le courant d'entrée et de sortie, la fréquence de commutation, les températures de la puce du CI interne, les températures des composants de l'étage de puissance et les journaux de défaillance. Les paramètres programmables incluent l'adresse du dispositif, les tensions de sortie, la compensation de boucle de contrôle, la fréquence de commutation, l'entrelacement de phase, le mode de fonctionnement DCM ou CCM. Ils comprennent également un démarrage progressif numérique, un séquençage et un arrêt basé sur le temps, des réponses de défaillance aux surtensions d'entrée et de sortie, une surintensité de sortie, une puce CI et une surchauffe des composants de puissance.
Logiciel GUI LTpowerPlay
LTpowerPlay est un environnement de développement robuste basé sur Windows qui prend en charge les produits de gestion de système d'alimentation numérique (PSM) d'Analog Devices Inc. LTpowerPlay prend en charge diverses tâches, telles que l'évaluation des CI d'Analog Devices en se connectant à un système de carte de démonstration et en mode hors ligne (sans matériel présent) pour créer un fichier de configuration multi-puces qui peut être sauvegardé et rechargé ultérieurement. Il fournit également des caractéristiques de diagnostic et de débogage sans précédent et devient un outil de diagnostic précieux pendant la mise en place de la carte pour programmer ou atténuer le système de gestion de l'alimentation dans un système ou pour diagnostiquer les problèmes d'alimentation lors de l'apparition de rails.
Configuration de l'équipement
