Interrupteur non réfléchissant SP4T HMC241ALP3E Analog Devices / Hittite

Interrupteur non réfléchissant SP4T HMC241ALP3E Analog Devices / Hittite

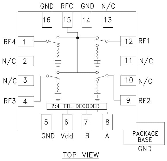
L'interrupteur non réfléchissant SP4T HMC241ALP3E Analog Devices / Hittite est proposé comme un commutateur SP4T non réfléchissant à usage général couvrant la gamme CC - 4 GHz. Logé dans un boîtier à montage en surface sans fil, le commutateur fournit une haute isolation de 43 dB à 2 GHz et une faible perte d'insertion de 0,7 dB à 2 GHz. Le HMC241ALP3E propose une polarisation positive unique et une véritable compatibilité TTL/CMOS. Le décodeur 2:4 intégré ne demande que 2 lignes de commande et une polarisation positive pour sélectionner chaque voie, remplaçant ainsi les 4 à 8 lignes de commande normalement requise pour les commutateurs SP4T au GaAs.

Caractéristiques
  • Haute isolation : 43 dB à 2 GHz
  • Perte d'insertion faible : 0,7 dB à 2 GHz
  • Une seule alimentation positive : Vdd = +5 V
  • Décodeur TTL 2:4 intégré
  • Boîtier CMS à 16 fils 3 x 3 mm : 9 mm²
Applications
  • Stations de base et répéteurs
  • WLAN, WiMAX et WiBro
  • CATV / DBS
  • Équipement de test
Schéma de fonctionnement
Schéma de fonctionnement
eNews
  • Hittite / Analog Devices
Publié le: 2015-04-30 | Mis à jour le: 2022-03-11