Analog Devices Inc. Solution de gestion d'alimentation LT®3380

La solution de gestion de l'alimentation LT®3380 d'Analog Devices Inc. est idéale pour les systèmes avancés basés sur un processeur d'applications portables. Le composant contient quatre convertisseurs CC/CC abaisseurs synchrones pour le cœur, la mémoire, les E/S et les rails de système sur puce (SoC). Il dispose également de trois régulateurs LDO 300 mA pour des alimentations analogiques à faible bruit. Un régulateur de contrôle de port série I2C permet un séquençage de la mise hors tension, des niveaux de tension de sortie, une évolution dynamique de la tension, des modes de fonctionnement et des rapports d’état.

Caractéristiques

  • Quadruple convertisseurs CC-CC abaisseurs à haut rendement réglables I2C (2x 1,5 A et 2x 2,5 A)
  • Trois régulateurs LDO 300 mA (2x réglables)
  • Séquençage de broche d'activation ou I2C indépendant
  • Contrôle de mise hors tension autonome programmable
  • Avertissements et défaillances
  • Broche IRQ et registre d'état IRQ
  • Broche Power Good et registre d'état
  • Fonctionnement +150 °C TJ (LT3380H)
  • Échelle dynamique de tension
  • Fréquence de commutation de 2,25 MHz ou 1,12 MHz sélectionnable
  • Courant de veille de 12 µA
  • Boîtier QFN à 40 fils de 6 mm × 6 mm à flancs mouillables

Applications

  • Automobile
  • Industriel
  • Télécommunications
  • Alimentations électriques multi-canaux à usage général

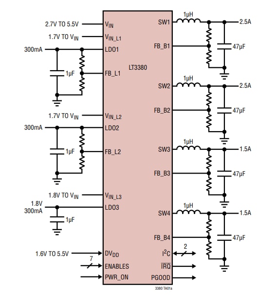
APPLICATION STANDARD

Analog Devices Inc. Solution de gestion d'alimentation LT®3380
Publié le: 2020-04-23 | Mis à jour le: 2024-09-30