Analog Devices Inc. LTC7068 150 V pilotes à demi-pont
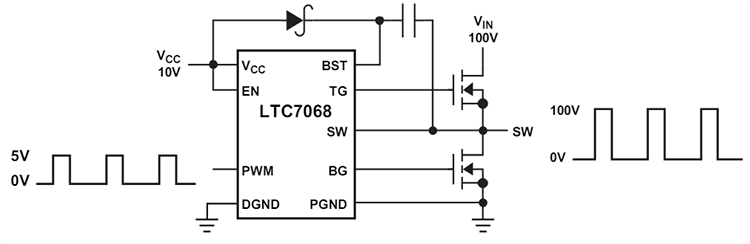
Analog Devices Inc. LTC7068 150 V Half Bridge Drivers sont des pilotes de grille MOSFET à double canal N en demi-pont qui fonctionnent à une tension d'entrée allant jusqu'à 150 V et disposent d'une logique d'entrée à modulation de largeur d'impulsion (PWM) à trois états, indépendante de l'alimentation. Les fortes capacités d'entraînement 1,3 Ω pull-down et 1,6 Ω pull-up permettent de grandes capacités de grille des MOSFET à haute tension avec des temps de transition courts dans les applications à haute fréquence de commutation. La protection adaptative de type "shoot-through" est conçue pour optimiser l'efficacité et la protection contre la conduction croisée du MOSFET. Le site LTC7068 contient des circuits de verrouillage en cas de sous-tension (UVLO) sur l'alimentation VCC et l'alimentation flottante du pilote qui éteignent les MOSFET externes lorsqu'ils sont activés.Caractéristiques
- Tension d'entrée maximale de 150 V indépendante de la tension d'alimentation du circuit intégré VCC
- 6 V à 14 V VCC et la tension du pilote de la grille inférieure
- 4 V à 14 V tension du circuit d'attaque de la porte supérieure
- 1,3 Ω pull-down, 1,6 Ω pull-up
- Protection adaptative contre le courant traversant
- Entrée PWM à trois états avec broche d'activation
- UVLO VCCet UVLO d’alimentation flottante
- Pilote deux MOSFET à canal N
- Disponible dans un boîtier à amélioration thermique 10-lead Mini Small Outline Package (MSOP)
Applications
- Systèmes d’alimentation industriels
- Convertisseurs CC/CC demi-pont
- Systèmes d'alimentation de télécommunications
Application standard
Schéma fonctionnel
Publié le: 2024-07-02
| Mis à jour le: 2024-07-09
