Analog Devices / Maxim Integrated Kit d’évaluation WLP MAX38647B

Le kit d'évaluation WLP MAX38647B d'Analog Devices Inc. évalue le circuit intégré MAX38647B dans un boîtier-puce WLP (Wafer-Level Package). Le MAX38647B compact présente une plage d'entrée de 1,8 V à 5,5 V, une consommation de courant de repos de 440 nA -IQ) et un convertisseur Buck à nano-puissance de 175 mA, avec une sélection de quatre niveaux de tension (VSEL). Le kit d'évaluation MAX38647B fournit des tensions de sortie configurables par résistance de 0,5 V à 1,8 V. Le MAX38647B peut changer la tension de façon dynamique en utilisant deux broches de sélection de tension (VSEL). Le kit d'évaluation du boîtier WLP MAX38647B de Analog Devices Inc. est livré entièrement assemblé et testé. Il offre une sortie une courant de sortie pouvant atteindre 175 mA et est livré avec le MAX38647BANA+ préinstallé. 

Caractéristiques

  • Évalue le CI MAX38647B dans son boîtier WLP à 8 picots de dimensions 1,82 mm x 0,89 mm et un pas de 0,4 mm.
  • Plage de tension d'entrée de 1,8 V à 5,5 V
  • Tension de sortie configurable de 0,5 V à 1,8 V
  • Courant de sortie jusqu’à 175 mA
  • Circuit imprimé éprouvé à deux couches de cuivre 28,3 g (1 oz)
  • Démontre la taille de la solution compacte
  • Totalement assemblé et testé

Équipement nécessaire

  • 1 kit d’évaluation WLP MAX38647B
  • Alimentation CC 5,5 V, 3 A
  • Charge capable d'absorber un courant de 175 mA
  • Voltmètre numérique (VMN)

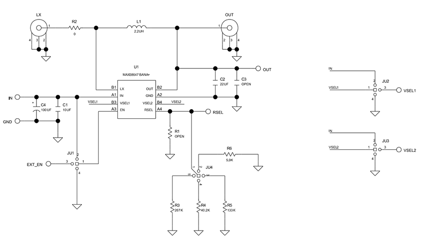
Schéma

Schéma - Analog Devices / Maxim Integrated Kit d’évaluation WLP MAX38647B

Présentation

Analog Devices / Maxim Integrated Kit d’évaluation WLP MAX38647B
Publié le: 2023-06-15 | Mis à jour le: 2023-07-05