Analog Devices / Maxim Integrated Convertisseurs Flyback non-opto isolés MAX1769x
Les convertisseurs Flyback non-opto isolés MAX1769x d'Analog Devices Inc. sont des convertisseurs Flyback à haut rendement qui utilisent un contrôle du mode courant de crête à fréquence fixe. Ces composants détectent la tension de sortie isolée directement à partir de la forme d’onde de retour côté primaire pendant la conduction du redresseur côté secondaire. Le MAX1769x dispose d’un commutateur primaire nMOSFET intégré à faible RDSON, 76 V et 205 mΩ. Ces convertisseurs Flyback sont conçus pour fonctionner sur la plage de tension d’alimentation de 4,2 V à 60 V. Les convertisseurs MAX1769x fournissent une plage de fréquence de commutation programmable de 100 kHz à 350 kHz et EN/UVLO qui permet d’allumer/d’éteindre le convertisseur de puissance précisément à la tension d’entrée souhaitée.Le MAX1769x d'ADI prend en charge la synchronisation d’horloge externe pour éviter les impulsions basse fréquence sur le bus d’entrée dans les systèmes dotés de plusieurs convertisseurs. Ces composants disposent d’un décalage de fréquence programmable pour un fonctionnement à faible EMI et à spectre étalé. Les convertisseurs MAX1769x permettent une compensation de température pour les variations de chute de tension directe de la diode du redresseur de sortie. Ces convertisseurs disposent d’une protection robuste contre le hoquet, d’une protection thermique et fonctionnent sur la plage de température -40 °C à 125 °C. Les applications standard comprennent les alimentations isolées, les applications industrielles et télécoms, les modules E/S PLC et les alimentations de pilote de grille IGBT.
Caractéristiques
- Réduit les composants externes et le coût total :
- Élimine l’optocoupleur et l’amplificateur d’erreur côté secondaire
- Jusqu’à 20 % gain de place
- MOSFET intégré 76 V et faible RDS (ON)
- Compensation de boucle interne (MAX17691A)
- Démarrage progressif intégré
- Réduit la dissipation d’énergie :
- Rendement > 90 %
- Fournit jusqu’à 7,5 W de puissance de sortie
- Le repli de fréquence permet un rendement amélioré à faible charge
- Prend en charge les exigences de conception clés au niveau du système :
- Le décalage de fréquence prend en charge un fonctionnement à faible EMI et à spectre étalé
- Synchronisation de la fréquence de commutation
- Conforme aux exigences EMI CISPR22 classe B
- Fonctionnement fiable dans les environnements hostiles :
- Compensation de température de tension de sortie optionnelle
- Protection de limitation de courant de ratés
- Seuil EN/UVLO programmable
- Protection contre les surtensions d’entrée (OVI) (MAX17691A)
- Protection contre les surchauffes
Applications
- Alimentations électriques isolées
- Modules E/S PLC
- Alimentations de pilote de grille IGBT
- Applications industrielles et télécoms
Caractéristiques techniques
- Plage de température de fonctionnement ambiante de -40 °C à 125 °C
- Plage de température de jonction de -40 °C à 150 °C
- Plage de tension d’alimentation de 4,2 V à 60 V
- Courant d’arrêt 2,5 µA
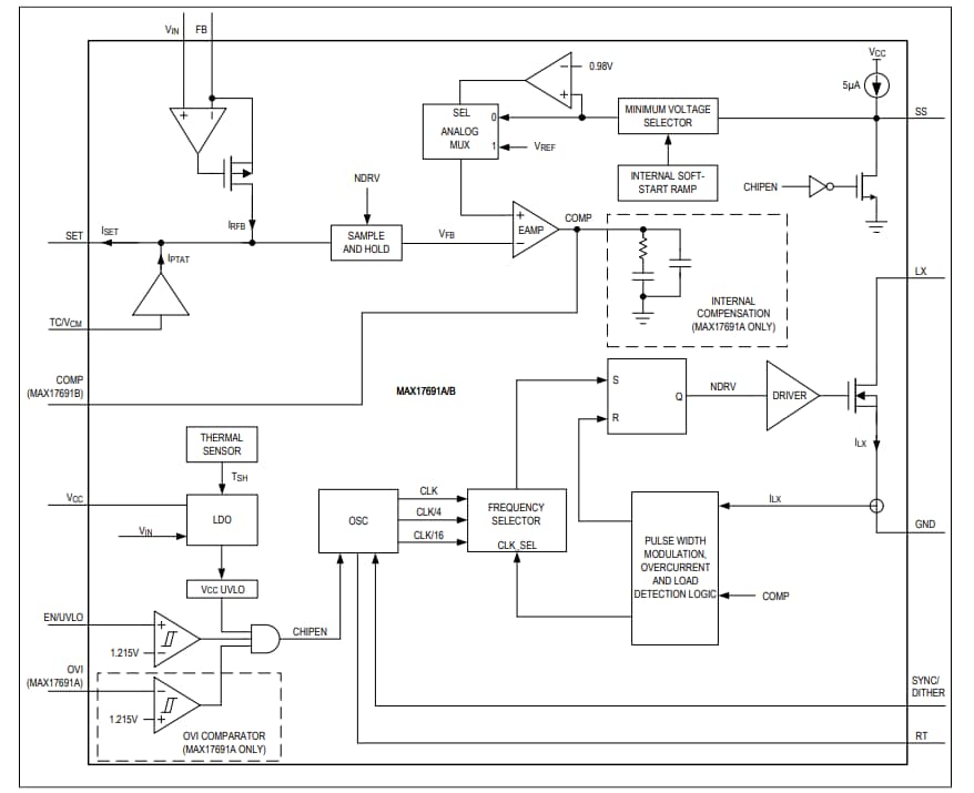
Schéma fonctionnel
Circuit d'application standard
