Analog Devices / Maxim Integrated MAX20056B 6-Channel High-Brightness LED Driver

Analog Devices Inc. MAX20056B 6-Channel High-Brightness LED Driver integrates a DC-DC switching boost/SEPIC controller and six 120mA current sinks. A current-mode switching DC-DC controller provides the necessary voltage to the strings of HB LEDs. An internal current-mode switching DC-DC controller supports boost, SEPIC, or coupled-inductor buck-boost topologies and operates in a programmable frequency range between 400kHz and 2.2MHz. Current-mode control provides a fast response and simplifies loop compensation. An adaptive output-voltage-adjustment scheme minimizes power dissipation in the LED current sinks.

An external resistor sets the channel currents to the same value in the range of 20mA to 120mA. The device features logic-controlled pulse-width modulation (PWM) dimming with minimum pulse widths as low as 500ns, and either phase-shifted LED strings or standard dimming control. When phase shifting is enabled, each string is turned on at a different time, reducing the input and output ripple as well as audible noise. With phase-shifting disabled on the Analog Devices Inc. MAX20056B 6-Channel High-Brightness LED Driver, each current sink is turned on at the same time and allows a parallel connection of current sinks for >120mA per string.

Features

  • Robust with respect to EMC and automotive battery transients
    • Wide 4.5V to 42V input operating range powers HB LEDs for medium-to-large-sized LCD displays in automotive and display backlight applications
    • Withstands automotive load-dump events up to 52V
    • Integrated spread spectrum
  • Spread-spectrum mode reduces emission at the switching frequency and its harmonics
    • EMI reduction features include spread-spectrum modulation (±6% of the switching frequency set by a resistor connected between RT and SGND)
  • Phase-shift dimming of LED strings
    • Reduced input and output ripple/audible noise
  • Wide contrast ratio ideal for high-quality TFT and head-up displays
    • 10,000:1 at 200Hz PWM dimming ratio 
  • Robust with respect to temperature and fault conditions
    • LED-open/short detection
    • Overtemperature protection
    • Low shutdown current (<15μA) through enable pin
    • Thermally enhanced 24-pin TSSOP package
    • -40°C to +125°C AEC-Q100 compliance

Applications

  • Automotive dashboards
  • Automotive central information displays
  • Automotive head-up displays
  • Automotive navigation systems

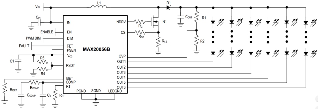
Simplified Schematic

Schematic - Analog Devices / Maxim Integrated MAX20056B 6-Channel High-Brightness LED Driver

Videos

Publié le: 2019-10-11 | Mis à jour le: 2023-04-25