Analog Devices / Maxim Integrated Doubles convertisseurs Buck basse tension de 6 A MAX20429
Le double convertisseur Buck basse tension haute efficacité 6 A MAX20429 d'Analog Devices Inc. fournit un courant de charge jusqu’à 6 A (crête) par sortie de 0,5 V à 1,5875 V par incréments de 12,5 mV et de 1,6 V à 3,8 V par incréments de 50 mV. Le MAX20429 dispose d'une erreur de sortie totale inférieure à ±1,0 %, d'une surcharge, d'une ligne et d'une température. Le CI fonctionne de 3 à 5,5 V, ce qui le rend idéal pour les applications embarquées de point de charge et de post-régulation.Les doubles convertisseurs Buck basse tension de 6 A à haut rendement MAX20429 d'ADI offrent un fonctionnement en mode MLI (modulation de largeur d’impulsion) à fréquence fixe avec une fréquence de commutation de 2,1 MHz ou 3,2 MHz. Le fonctionnement à haute fréquence permet de concevoir un condensateur entièrement en céramique avec de petits composants externes.
Le dispositif est doté de la technologie MAXQ™, qui offre des performances transitoires et une marge de phase de précision. Ces caractéristiques permettent d'obtenir la puissance, les performances et la précision maximales du convertisseur sur une vaste gamme de configurations.
Les convertisseurs MAX20429 comprennent un arrêt en cas de surchauffe et une limitation de surintensité. Les convertisseurs MAX20429 sont conçus pour fonctionner sur une plage de températures ambiantes de –40 à +125 °C.
Caractéristiques
- Conçus pour le régulateur secondaire pour les applications d'alimentation de SoC / microcontrôleur (MCU)
- Un ensemble de hautes fonctionnalités dans un espace ultra-petit
- Convertisseur CC-CC à haut rendement
- Deux sorties indépendantes, jusqu’à 6 A par sortie
- Tension d’alimentation de fonctionnement de 3,0 à 5,5 V
- Tension de sortie réglable par résistance
- Tension de sortie prédéfinie en usine en option
- Options 2,1/3,2 MHz
- Entrée d’activation
- Sorties RESET individuelles
- Option de spectre étendu
- Architecture en mode courant de crête
- FCQFN 3 x 3,5 mm
- Haute précision
- Moniteur OV/UV 108/92 %
- Précision OV/UV ± 3 %
- Précision de tension de sortie : ± 1 %
- Excellente performance transitoire de charge
- Fonctionnement en mode PWM (Modulation de largeur d’impulsion) et SKIP
- Architecture d’alimentation MAXQ™
- Rendement élevé
- Rendement jusqu’à 96 % de 5 à 3,3 V
- Rendement jusqu’à 90 % 5 à 1 V
- Plage de températures de fonctionnement de -40 à +125 °C
- Homologué AEC-Q100
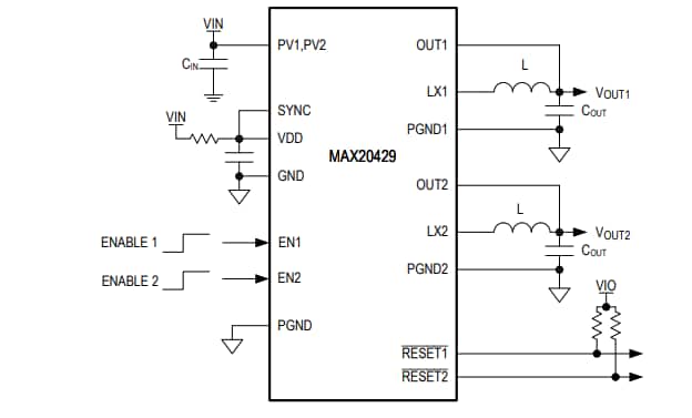
Schéma fonctionnel
