Bourns Transformateurs de puissance compatibles AEC-Q200 HCT
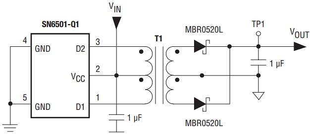
Les transformateurs de puissance HCT conformes à la norme AEC-Q200 de Bourns sont des transformateurs à distance d'isolement et ligne de fuite élevées construits avec un cœur toroïdal en ferrite pour un facteur de couplage et une efficacité élevés. Les transformateurs sont dotés d'une isolation renforcée, d'une distance d'isolement/ligne de fuite minimale de 8 mm et d'une tension de tenue de 5 kV pour fournir un degré élevé d'isolation contre les risques de haute tension. Les transformateurs de puissance HCT conformes à la norme AEC-Q200 de Bourns sont conçus pour isoler les alimentations électriques à l'aide des pilotes de transformateur Texas Instruments SN6501 et SN6505B. La série est conforme aux normes CEI 60950-1, CEI 62368-1, CEI 60664-1 et automobile AEC-Q200.Caractéristiques
- Compatible AEC-Q200
- Noyau toroïdal pour couplage élevé et faible rayonnement
- Isolation renforcée pour une tension de fonctionnement de 800 V
- Conforme aux normes CEI 60950-1, CEI 62368-1 et CEI 60664-1
- Conçus pour les alimentations électriques d'isolement utilisant TI SN6501 et SN6505B
- Conforme à la directive RoHS
Applications
- Systèmes de gestion de batterie automobile (BMS)
- Commandes de grille automobiles
- RS485
- Interfaces CAN
- Modules d'entrée numérique
- Isolement RS323
Caractéristiques techniques
- Tension d’entrée de 3,3 V à 5 V
- Tension nominale de 3,3 V à 15 V
- Courant nominal CA 35 mA
- Inductance primaire minimale de 250 µH à 350 µH à 100 kHz
- Inductance de fuite de 0,6 µH à 1,8 µH à 100 kHz
- Plage de température de fonctionnement: -40 °C à +125 °C
Circuit d'application
Schéma fonctionnel
Publié le: 2020-01-21
| Mis à jour le: 2026-02-23
