Bourns Encodeur à anneau incrémentiel longue durée PER35
Le sélecteur à anneau incrémentiel longue durée PER35 de Bourns dispose d'un diamètre de boîtier de 35 mm avec une compatibilité de circuit de 10 mA à 5 VCC et une sortie de code en quadrature triphasé. Le PER35 offre un retour de détente tactile, un style de montage traversant et est étanche à un niveau de protection IP40. Le dispositif à profil mince fournit une interface en anneau qui permet l'éclairage ou l'installation d'autres composants au centre. Les caractéristiques supplémentaires incluent une valeur nominale de 50 000 cycles de rotation, une plage de résolution de 10 impulsions par tour et une vitesse de rotation maximale de 60 tr/min. Le sélecteur à anneau incrémentiel longue durée PER35 de Bourns dispose d'une plage de température de fonctionnement de -30 °C à +80 °C. Les applications idéales comprennent les applications professionnelles d'audio et d'éclairage, les équipements médicaux et de laboratoire à risque faible/moyen, ainsi que les commandes d'automatisation industrielle et d'autres applications pour lesquelles un encodeur de sélection de menu est exigé.Caractéristiques
- Encodeur incrémentiel à profil mince avec un diamètre de boîtier de 35 mm
- Style de montage THT
- Retour de détente haptique
- Étanchéité de niveau IP40
- Conforme à la directive RoHS
Applications
- Consoles d'éclairage professionnelles
- Électroménager grand public
- Équipement médical et de diagnostic à risque faible/moyen
- Équipement de test et de mesures
- Équipement de communications
- Équipement de laboratoire
- Contrôles d'automatisation industrielle
Caractéristiques techniques
- Valeur nominale du nombre de cycles de rotation : 50 000
- Plage de résolution : 10 impulsions/tr
- Vitesse de rotation maximale de 60 tr/min
- Compatibilité des circuits 10 mA à 5 VCC
- Sortie de code de quadrature triphasé
- Plage de température de fonctionnement : de -30 °C à +80 °C
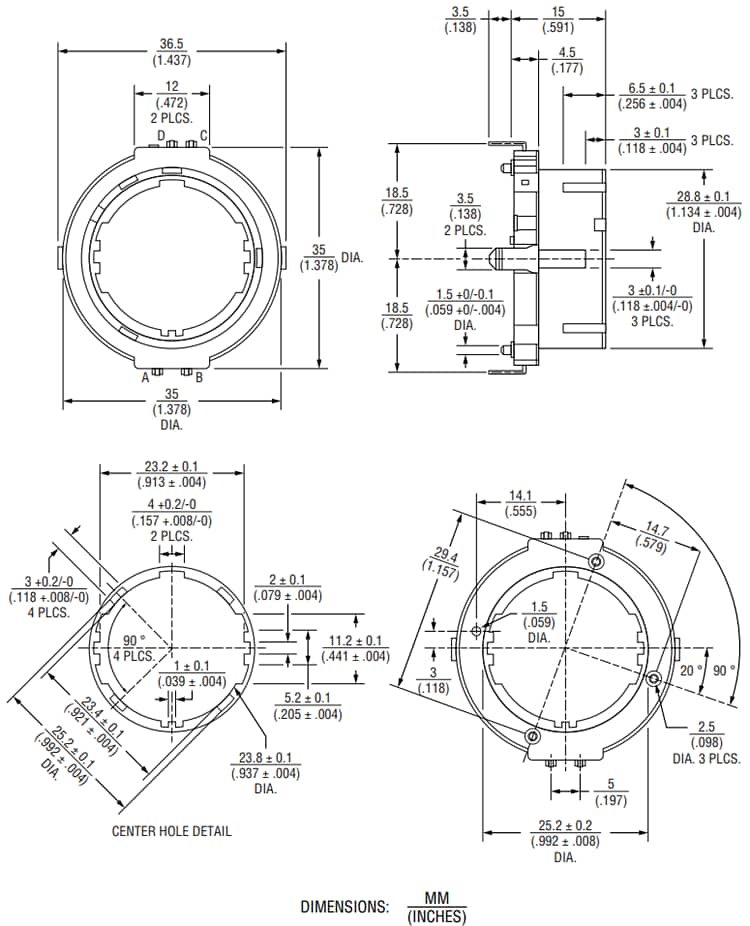
Dimensions
Publié le: 2021-04-28
| Mis à jour le: 2022-03-11
