Diodes Incorporated Capteur à effet hall AH49FQ
Le capteur à effet Hall AH49FQ de Diodes Incorporated est un capteur à effet Hall linéaire compact et polyvalent, actionné par le champ magnétique d’un aimant permanent ou d’un électroaimant. Ce capteur intègre un circuit de sortie à faible bruit qui élimine le besoin de composants de filtrage externes. La tension d’alimentation définit la tension de sortie du capteur AH49FQ et varie en proportion de la force du champ magnétique. Ce capteur comprend des résistances de précision pour fournir une stabilité et une précision accrues en température. Le capteur à effet Hall AH49FQ est utilisé dans la détection de position, la détection du niveau de liquide, la détection de poids, les détecteurs de métaux ferreux, les codeurs rotatifs, la lecture de code magnétique et la détection de courant.Caractéristiques
- Consommation électrique 3 mA à VCC= 5V pour l’efficacité énergétique
- Sortie de source de courant unique
- Sortie de tension linéaire pour la flexibilité de conception de circuit
- La sortie à faible bruit élimine pratiquement le besoin de filtrage
- Sortie stable et précise
- Plage de température de fonctionnement de -40 °C à +105 °C
- Répond aux gauss positifs ou négatifs
- Tension d’alimentation instantanée maximale jusqu’à 50 V
- Valeur ESD élevée :
- 3 000 V (modèle du corps humain)
- 2 000 V (modèle de composant chargé)
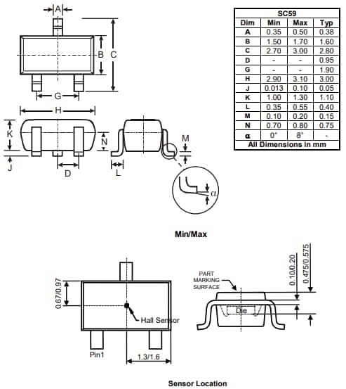
- Petit boîtier SC59 à profil mince
- Qualifié AEC-Q100 de niveau 2
- Sans plomb et conforme à la directive RoHS
- Composant « vert » sans halogène ni antimoine
Applications
- Détection de position
- Détection de niveau de liquide
- Détection de poids
- Détecteurs de métaux ferreux
- Détection de vibration
- Codeurs rotatifs
- Lecture de code magnétique
- Commandes de moteur
- Détection de courant
Schéma fonctionnel
Dimensions extérieures du boîtier
Publié le: 2023-06-13
| Mis à jour le: 2024-05-16
