Infineon Technologies Manifold Air Pressure (MAP) Sensors
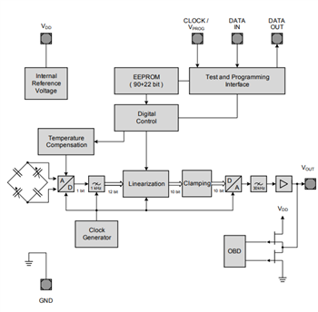
Infineon Technologies Manifold Air Pressure (MAP) Sensors are based on the capacitive principle. The MAP is an important parameter to compute the air-fuel ratio provided to the engine. These sensors are surface micromachined with a monolithic integrated signal conditioning circuit implemented in BiCMOS technology. The MAP sensors convert a pressure signal into an analog output signal. These sensors feature high precision sensing, ratiometric analog output, broken wire detection, clamping, automotive qualification, and a large temperature range. Typical applications include automotive, industrial control, consumer, medical, weather stations, and altimeters.
Features
- High-pressure sensing
- Ratiometric analog output
- Large temperature range
- Broken wire detection
- Clamping
- Automotive qualified
- "Green" 8-pin SMD housing
Applications
- Automotive applications (manifold air pressure measurement)
- Industrial control
- Consumer applications
- Medical applications
- Weather stations
- Altimeters
Publié le: 2019-01-07
| Mis à jour le: 2026-04-28
