Microchip Technology Pilotes de MOSFET triphasés MIC4607A

Les pilotes de MOSFET triphasée MIC4607A de Microchip Technology fournissent un temps de retard de propagation rapide de 35 ns et un temps de montée/descente de 20 ns pour une charge capacitative de 1 nF. Les entrées TTL MIC4607A peuvent être des signaux séparés côté haut et côté bas ou une seule entrée MLI avec une commande haute et basse générée en interne. Les sorties côté haut et côté bas sont conçues pour ne pas se chevaucher dans aucun des deux modes. Le MIC4607A comprend une protection contre les surintensités avec insertion de temps de suppression et une diode interne haute tension qui charge le condensateur d'amorçage de commande de grille côté haut. Le redresseur de niveau haute vitesse et faible puissance fournit des transitions de niveau propres à la sortie haute tension. Le fonctionnement robuste du MIC4607A garantit que les sorties ne sont pas affectées par les problèmes d'alimentation, les sonneries HS en dessous de la mise à la terre ou les basculements HS avec des transitions de tension à grande vitesse. La protection contre la sous-tension est fournie sur les deux pilotes côté bas et côté haut.

Le MIC4607A de Microchip est logé dans un boîtier VQFN de 28 broches de 4 mm x 5 mm avec des flancs mouillables de niveau de sensibilité à l'humidité 1. La plage de température de fonctionnement de jonction du dispositif est comprise entre -40 °C et +125 °C.

Caractéristiques

  • Tension d'alimentation de la grille jusqu'à 16 V
  • Protection améliorée contre les surintensités avec temps de masquage supplémentaire
  • Pilote les MOSFET à canal N côté haut et côté bas avec des entrées indépendantes ou avec un seul signal MLI
  • Seuils d'entrée TTL
  • Diodes d'amorçage sur puce
  • Temps de propagation rapides de 35 ns
  • Protection contre le courant transversal
  • Pilote la charge 1 000 pF avec les temps de montée et de descente de 20 ns
  • Faible consommation électrique
  • Protection contre la sous-tension de l'alimentation
  • Plage de température de jonction de -40 °C à +125 °C
  • Qualifié selon les normes AEC-Q100 et AEC-Q006

Applications

  • Entraînements à moteur triphasés et à moteur BLDC
  • Convertisseurs triphasés
  • Applications de moteurs BLDC pour l'automobile

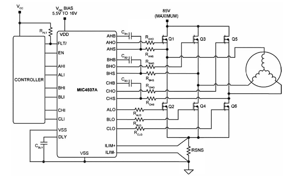
Circuit d'application standard

Schéma du circuit d'application - Microchip Technology Pilotes de MOSFET triphasés MIC4607A

Type de boîtier

Plan mécanique - Microchip Technology Pilotes de MOSFET triphasés MIC4607A

Schéma de fonctionnement

Schéma de principe - Microchip Technology Pilotes de MOSFET triphasés MIC4607A

Bloc logique d'entrée

Circuit de localisation - Microchip Technology Pilotes de MOSFET triphasés MIC4607A
Publié le: 2025-02-17 | Mis à jour le: 2025-06-23