Nexperia Transistors de puissance BC869-Q
Les transistors de puissance BC869-Q de Nexperia sont des transistors de puissance moyenne PNP 20 V, 2 A dans un boîtier SOT89 (SC-62) de puissance moyenne et plastique à broches plates. Ces transistors sont des dispositifs CMS conçus pour des applications telles que les régulateurs de tension linéaires, les commutateurs haute tension et les pilotes MOSFET. Les transistors BC869-Q intègrent des dissipateurs thermiques exposés pour une excellente conductivité thermique et électrique et une capacité de dissipation de puissance élevée. Ces transistors sont conforme à la norme AEC-Q101 et recommandés pour une utilisation dans les applications automobiles. Les transistors BC869-Q sont idéaux pour les régulateurs de tension linéaires, les commutateurs haute tension, les dispositifs alimentés par batterie, la gestion de l'alimentation, les pilotes MOSFET et les amplificateurs.Caractéristiques
- Courant élevé
- Trois sélections de gain de courant
- Capacité de dissipation de puissance élevée
- Dissipateur thermique exposé pour une excellente conductivité thermique et électrique
- Boîtier CMS en plastique sans fil, très petit, avec une capacité de puissance moyenne
- Conforme à la norme AEC-Q101 et recommandé pour une utilisation dans les applications automobiles
Applications
- Régulateurs de tension linéaires
- Commutateurs côté haut
- Dispositifs alimentés par batterie
- Gestion de l'alimentation
- Pilotes MOSFET
- Amplificateurs
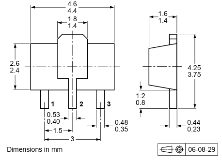
Profil de boîtier
Publié le: 2025-06-30
| Mis à jour le: 2025-08-19
