Nexperia MOSFET à tranchée et canal P LFPAK
Les MOSFET à tranchée et canal P LFPAK Nexperia sont conçus et qualifiés selon les normes AEC-Q101 pour une utilisation dans les applications automobiles à hautes performances. Ces MOSFET disposent d’une capacité de dissipation de puissance thermique élevée. Les MOSFET à canal P sont disponibles en boîtier plastique LFPAK56 (Power SO8) pour montage en surface (CMS). Ces MOSFET Nexperia sont adaptés aux environnements thermiquement exigeants en raison de la valeur nominale de 175°C. Les applications standard incluent la protection inverse de la batterie, la gestion de l’alimentation, le commutateur de charge côté haut et l’entraînement de moteur.Caractéristiques
- Capacité de dissipation de puissance thermique élevée
- Classification +175 °C pour les environnements thermiquement exigeants
- Technologie MOSFET à tranchée
- Homologué AEC-Q101
- Boîtier plastique CMS LFPAK56 (Power SO8)
Applications
- Protection d'inversion de la batterie
- Gestion de l'alimentation
- Commutateur de charge côté haut
- Entraînement de moteur
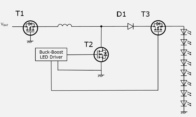
Schéma de circuit d’application
Présentation de l'empreinte LFPAK56
Vidéos
Ressource supplémentaire
View Results ( 8 ) Page
| Numéro de pièce | Fiche technique | Vds - Tension de rupture drain-source | Id - Courant continu de fuite | Rds On - Résistance drain-source | Qg - Charge de grille | Pd - Dissipation d’énergie |
|---|---|---|---|---|---|---|
| BUK6Y24-40PX | ![]() |
40 V | 39 A | 24 mOhms | 23 nC | 66 W |
| PSMP033-60YEX | ![]() |
60 V | 30 A | 33 mOhms | 46 nC | 110 W |
| BUK6Y10-30PX | ![]() |
30 V | 80 A | 10 mOhms | 42.5 nC | 110 W |
| BUK6Y14-40PX | ![]() |
40 V | 64 A | 14 mOhms | 42.7 nC | 110 W |
| BUK6Y19-30PX | ![]() |
30 V | 45 A | 19 mOhms | 23 nC | 66 W |
| BUK6Y33-60PX | ![]() |
60 V | 30 A | 33 mOhms | 46 nC | 110 W |
| BUK6Y61-60PX | ![]() |
60 V | 25 A | 61 mOhms | 20 nC | 66 W |
| PSMP061-60YEX | ![]() |
60 V | 25 A | 61 mOhms | 20 nC | 66 W |
Publié le: 2020-05-21
| Mis à jour le: 2024-05-03

