NXP Semiconductors Pilotes de grille avancés GD3160
Les pilotes de grille avancés GD3160 de NXP Semiconductors sont conçus pour piloter des modules SiC et IGBT pour les onduleurs de traction xEV, les convertisseurs OBC et CC-CC. Le GD3160 dispose d'une isolation galvanique intégrée, d'une interface programmable via SPI et d'options de protection programmables avancées, telles que la surchauffe, la désaturation et la protection de détection de courant.Les pilotes de grille avancés GD3160 NXP Semiconductors pilotent facilement des MOSFET SiC et des portes IGBT utilisant directement une commutation à hautes performances, une faible résistance dynamique à l'état passant et un contrôle de tension de grille rail-à-rail.
Le GD3160 gère de manière autonome les défaillances, signalant l'état du dispositif d'alimentation et du pilote de grille via les broches INTA et INTB et l'interface SPI. Le GD3160 comprend des fonctions d'auto-test, de contrôle et de protection pour la conception de systèmes à haute fiabilité (ASIL C/D) et satisfait les exigences strictes des applications automobiles, entièrement homologuées AEC-Q100 classe 1.
Caractéristiques
- Isolation de signal galvanique intégrée (jusqu'à 8 kV)
- Courant de grille élevé intégré de 15 A compatible source/dissipation
- Interface SPI pour la surveillance de la sécurité, la configuration et les rapports de diagnostic
- Prend en charge des fréquences de commutation élevées de PWM jusqu'à 100 kHz
- Gestion de l'état de sécurité à partir des domaines LV et HV pour un état de sécurité sélectionnable par l'utilisateur
- Régulateur de tension de grille programmable sur une plage étendue
- Détection de température compatible avec les thermistances NTC et PTC
- Désaturation et détection de courant configurables optimisées pour protéger les SiC et les IGBT
- Arrêt progressif intégré, arrêt à deux niveaux, optimisé pour les exigences uniques de commande de grille du SiC
- Surveillance VCE et VGE en temps réel via la broche INTA
- CAN intégré pour surveiller les paramètres du domaine HV
- CMTI > 100 V/ns
- Compatible avec les IGBT/SiC 200 V à 1 700 V, plage de puissance > 125 kW
- Plage de températures de fonctionnement : de -40 °C à +125 °C
- Distance de fuite externe (CGP) > 7,8 mm
- Disponible en variantes d'interface logique E/S de 3,3 V ou 5,0 V
- Boîtier SOIC à 32 broches à faible encombrement (8 mm x 13 mm)
- Homologations pour les normes et la sécurité
- Isolation renforcée selon DIN V VDE V 0884-10
- Supporte une isolation de 5 000 Vrms (1 minute) conformément à UL 1577
- Notification d'acceptation CSA 5 A
- Qualifié pour l'automobile AEC-Q100 classe 1
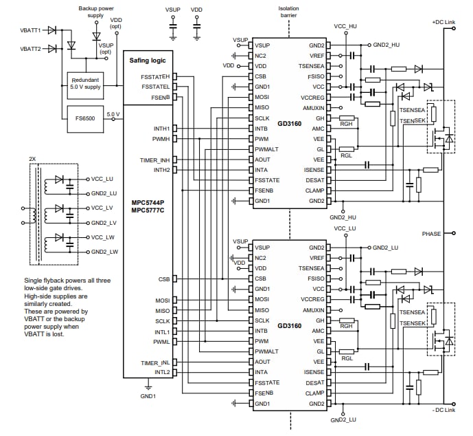
Schéma d’application simplifié
Publié le: 2022-06-01
| Mis à jour le: 2024-06-10
