NXP Semiconductors Convertisseurs de niveau à double tension NVT4858
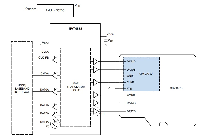
Les convertisseurs de niveau à double tension bidirectionnels NVT4858 de NXP Semiconductors sont conçus pour faire l'interface entre une mémoire ou une carte SIM fonctionnant entre 1,65 V et 3,6 V et un hôte avec une tension d'alimentation de 1,08 V à 1,95 V. Les convertisseurs de niveau à double tension bidirectionnels conformes SD 3.0 avec contrôle de direction automatique prennent en charge les modes de vitesse par défaut (25 MHz) et les modes (50 MHz) haute vitesse SD 2.0 et SD 3.0 SDR104, SDR50, DDR50,DDR50, SDR25, SDR12.Les convertisseurs de niveau à double tension NVT4858 de NXP disposent d'une fonction d'activation/désactivation automatique connectée à la broche d'alimentation VCCB, de filtres EMI intégrés et d'une protection ESD robuste (CEI 61000-4-2, niveau 4) sur VCCB ou n'importe laquelle des broches latérales de la carte. Ces caractéristiques permettent de ne pas exiger de diodes ESD externes. De plus, le NVT4858 prend en charge le convertisseur de niveau de tension de carte SIM en utilisant CLK et deux lignes de données pour les sockets combinés de carte SIM et SD.
Caractéristiques
- Prend en charge une fréquence d'horloge jusqu'à 208 MHz
- Conversion de tension conforme aux spécifications SD 3.0 pour prendre en charge les modes SDR104, SDR50, DDR50, SDR25, SDR12, haut débit et vitesse par défaut
- Conforme à toutes les exigences d'interface ETSI, IMT-2000 et ISO-7816 SIM/carte à puce
- Prend en charge des tensions d'alimentation de carte SD/SIM avec une plage de 1,65 V à 3,6 V
- Plage de tension de fonctionnement du microcontrôleur hôte de 1,08 V à 1,95 V
- Canal de rétroaction pour synchronisation d'horloge
- Faible consommation électrique par étage de sortie push-pull avec une architecture BBM (sans contact à court-circuit)
- Activation et désactivation automatiques via VCCB
- Résistances pull-up et pull-down intégrées, sans résistances externes requises
- Les filtres EMI intégrés suppriment les harmoniques plus élevées des E/S numériques
- Protection ESD de 8 kV intégrée selon CEI 61000-4-2, niveau 4 sur VCCB ou n'importe laquelle des broches latérales de carte. Des diodes ESD externes ne sont pas requises
- Les tampons de décalage de niveau maintiennent la contrainte ESD à l'écart de l'hôte (concept de serrage zéro)
- Disponible en XQFN16 avec un pas de 0,4 mm et WLCSP16 avec un pas de 0,35 mm
Applications
- Smartphones
- Combinés mobiles
- Appareils photo numériques
- Tablettes PC
- Ordinateurs portables
- Lecteurs de cartes SD, MMC ou microSD
Schéma fonctionnel
Schéma fonctionnel
Publié le: 2021-12-02
| Mis à jour le: 2023-03-23
