onsemi Optocoupleurs à commande de grille MOSFET/IGBT haute vitesse FOD8383/4
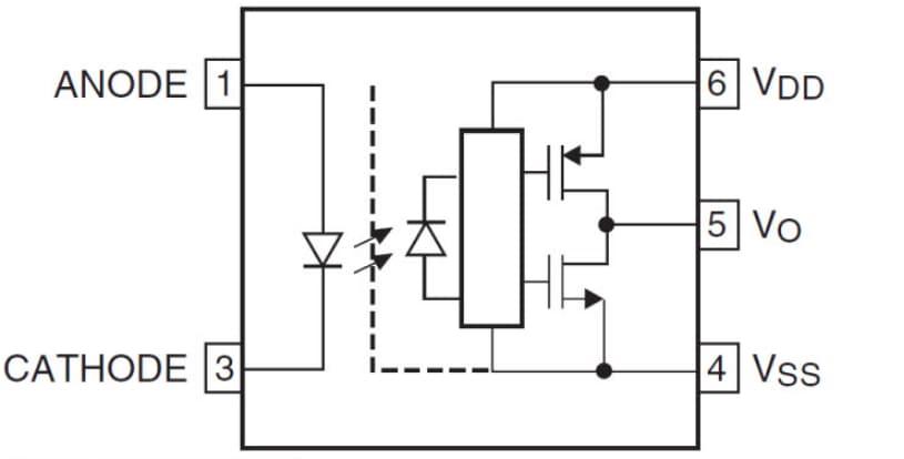
Les optocoupleurs à commande de grille MOSFET/IGBT haute vitesse FOD8383/4 Fairchild sont des optocoupleurs à commande de grille à courant de sortie de 2,5 A capables de piloter des IGBT/MOSFET de puissance moyenne. Ils sont particulièrement adaptés au pilotage à commutation rapide d'IGBT et de MOSFET de puissance utilisés dans les applications d'onduleur de contrôle de moteur et dans les systèmes d'alimentation à haute performance. Le FOD8383/4 utilise la technologie de boîtier coplanaire Fairchild Optoplanar® et une conception de CI optimisée pour obtenir une tension d'isolation élevée fiable et une immunité élevée contre le bruit. Chaque dispositif est composé d'une LED arséniure de gallium-aluminium (AlGaAs) couplée optiquement à un circuit intégré avec un pilote à haute vitesse pour un étage de sortie push-pull MOSFET.Caractéristiques
- 2.5A output current driving capability
- P-channel MOSFET at output stage enables output voltage swing close to supply rail
- 35kV/μs minimum common mode rejection
- 15V to 30V supply voltage range
- Fast switching speed over full operating temperature range
- 210ns maximum propagation delay
- 65ns maximum pulse-width distortion
- Under-Voltage Lockout (UVLO) with hysteresis
- -40°C to +100°C industrial temperature range
- Safety and Regulatory Approvals:
- UL1577, 5000VACRMS for 1 minute
- DIN-EN/IEC60747-5-5, 1414V peak working insulation voltage
Applications
- AC and brushless DC motor drives
- Industrial inverter
- Uninterruptible power supply
- Induction heating
- Isolated IGBT/power MOSFET gate drive
Additional Resources
Functional Schematic
Publié le: 2014-09-25
| Mis à jour le: 2022-03-11
