RECOM Power R-78S3.3-0.1-EVM-1 Evaluation Module
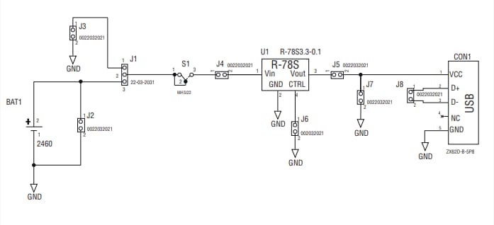
RECOM Power R-78S3.3-0.1-EVM-1 Evaluation Module generates 3.3V from a single AA battery or from an external power source. This evaluation board operates with any voltage source in the range of 0.65V to 3.15V and provides jumper headers to allow various test measurements. RECOM R-78S3.3-0.1-EVM-1 Evaluation Module contains an AA battery holder, power switch, R-78S3.3-0.1 boost converter, and a micro-USB connector. This evaluation module features an Enable pin which puts the R-78S3.3-0.1 boost converter into sleep mode where it draws only 7uA from the battery.Features
- 3.3V from a single AA battery or from an external source (boost converter)
- 93% efficiency
- >80% efficiency at 10% load
- Input voltage range down to 0.65V
- Input and output power measurement capability
- Micro-USB type B or 0.100" (2.54mm) pin output
Schematic
Overload Capability
Publié le: 2017-12-19
| Mis à jour le: 2022-05-16
