Renesas Electronics Atténuateur de gigue et générateur d'horloge RF 8V19N882
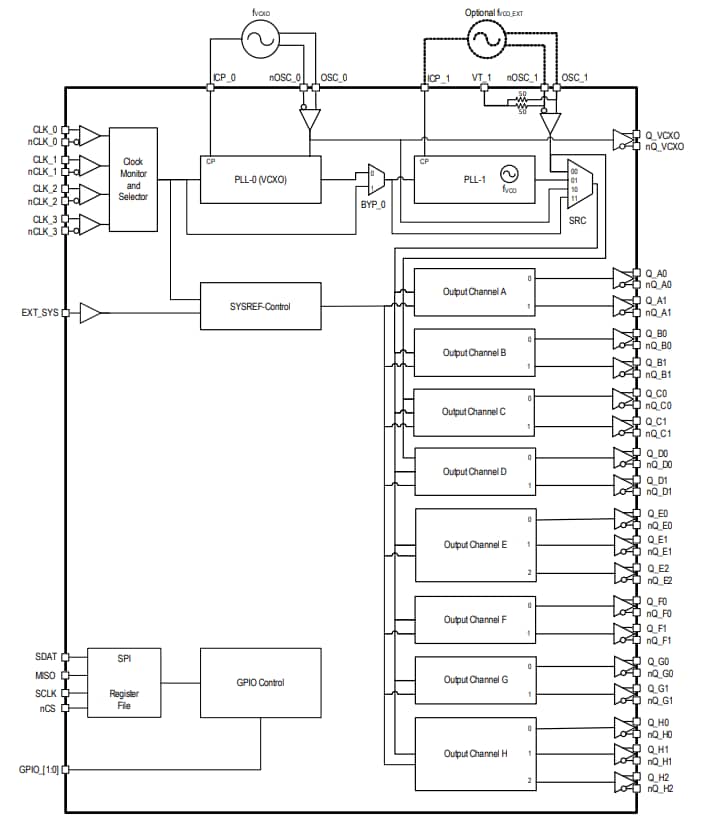
L'atténuateur de gigue et générateur d'horloge d'échantillonnage RF 8V19N882 de Renesas Electronics est une solution d'horloge hautes performances pour le conditionnement et la gestion de la fréquence/phase des cartes d'équipement radio de station de base sans fil. Le 8V19N882 est optimisé pour fournir d'excellentes performances de bruit de phase selon les besoins dans les mises en œuvre de radio 4G, 5G et mmWave.Le générateur d'horloge d'échantillonnage 8V19N882 RF de Renesas et l'atténuateur de gigue prennent en charge les formats JESD204B (sous-classe 0 et 1) et JESD204C. Une architecture PLL à deux étages fournit une atténuation de gigue et une multiplication de fréquence. La PLL de première phase est l'atténuateur de gigue qui utilise un VCXO externe pour les meilleures caractéristiques de bruit de phase possibles. Dans le second étage, la PLL se verrouille sur le premier signal de sortie PLL et synthétise la fréquence cible. La PLL de deuxième phase peut utiliser le VCO à haute fréquence externe ou interne.
Le 8V19N882 est configuré à travers une interface SPI à 3/4 fils et signale l'état de la perte de signal et de la serrure dans les registres internes et via les sorties GPIO[1:0]. Les modifications des bits d'état internes sont signalées via une sortie GPIO.
Caractéristiques
- Générateur d'horloge d'échantillonnage RF d'horloge à hautes performances et atténuateur de gigue d'horloge avec prise en charge du JESD204B/C
- -144,7 dBc/Hz (décalage 800 kHz ; 491,52 MHz) faible bruit de phase
- Bruit de phase intégré de 74fs RMS (12 kHz à 20 MHz, 491,52 MHz)
- Architecture à double PLL avec VCO externe interne et optionnel
- Huit canaux de sortie avec un total de 16 sorties
- Diviseurs de fréquence d'horloge entiers configurables
- Fréquences de sortie d'horloge jusqu'à 3932,16 MHz (VCO interne) et 6 GHz (VCO externe en option)
- E/S différentielles à faible bruit
- Circuits de retardement de phase déterministes et de retardement de phase intégrés
- Architecture d'horloge d'entrée redondante avec deux entrées et moniteurs, holdover et commutation d'entrée
- Interface de configuration de fils SPI 3/4
- Tension d'alimentation 1,8 V, 2,5 V et 3,3 V
- Pack 76-VFQFN (9 mm × 9 mm)
- Plage de température de la carte de -40°C à +105°C
Applications
- Applications d'infrastructure sans fil : 4G, 5G et mmWave
- Acquisition de données : circuits ADC et DAC sensibles à la gigue
- Radar, imagerie, instrumentation et médical
Schéma de principe simplifié
Schéma de principe (fVCO = 3932,16 MHz)
