Sierra Wireless / Semtech Modules à IoT industriels 4 G LTE MC74x AirPrime®
Les modules à IoT industriels 4 G LTE MC74x AirPrime® de Sierra Wireless / Semtech sont des modems sans fil compacts et légers qui fournissent une connectivité LTE, UMTS et GNSS pour les applications M2M, les notebooks, les ultrabooks et les tablettes sur plusieurs bandes de fréquences radio. Les modules MC74x sont basés sur le processeur à bande de base MDM9250 de Qualcomm et offrent une voie de mise à niveau facile vers les technologies réseau émergentes et un accès mondial aux réseaux haut débit. Ces modules intégrés fournissent une connectivité haut débit de liaison descendante 300 Mbps et de liaison montante 150 Mbps, avec une large sélection d’interfaces aériennes avancées, notamment LTE Advanced avec agrégation d'opérateurs.Caractéristiques
- Basés sur le processeur à bande de base MDM9250 de Qualcomm
- Valeurs physiques
- Petit facteur de forme conforme au type F2 tel que spécifié dans la spécification électromécanique PCI Express Mini Card révision 1.2
- Plages de température de fonctionnement ambiante
- -30 °C à +70 °C pour la classe A (conforme 3GPP)
- -40 °C à +85 °C pour la classe B (non conforme 3GPP) avec des paramètres de fonctionnement réduits requis
- Interfaces d'application
- Interface USB (QMI) pour Windows 7 et les anciens systèmes d’exploitation Windows
- MBIM pour Windows 8.1 et Windows 10
- Interface de commande AT
- Prise en charge du contrôle d’antenne actif via des signaux de commande d’antenne dédiés
- Prise en charge de la réduction de puissance dynamique via logiciel et signal dédié (DPR)
- OMA DM (gestion des périphériques Open Mobile Alliance), la prise en charge dépend de l’opérateur
- FOTA (micrologiciel par liaison radio), la prise en charge dépend de l’opérateur
- Modem
- Exploitation LTE / DC-HSPA+ / HSPA+ / HSPA / UMTS (WCDMA)
- Profils de données de paquets cellulaires multiples (jusqu’à 16)
- Prise en charge de port COM modem traditionnel pour commandes AT
- Suspension/reprise USB
- Mode veille pour une consommation d’énergie au repos minimale
- Kit d’outils d’application SIM avec commandes SIM proactives
- Chaîne de nom d’opérateur améliorée (EUS)
- Activation/désactivation du contexte PDP d’origine mobile
- Prend en charge QoS QCI (3GPP version 12)
- Adresse IP statique et dynamique — Le réseau peut attribuer une adresse IP fixe ou en affecter dynamiquement à l’aide du DHCP (protocole de configuration d'hôte dynamique)
- Support PAP et CHAP
- Type de contexte PDP (IPv4, IPv6 ou IPv4v6)
- Compression d’embase TCP/IP RFC1144
- Service de message court (SMS) avec SMS d’origine mobile et à terminaison mobile sur IMS ou SG pour LTE
- LTE
- Agrégation d'opérateurs
- 40 MHz pour DL LTE-FDD
- 40 MHz pour DL LTE-TDD
- 40 MHz contigus intrabande pour UL LTE
- Prise en charge CSG (LTE Femto)
- Récepteurs LTE Advanced (NLIC, eICIC, feICIC)
- Acquisition de système et sélection de cellule de base
- Décodage PSS/SSS/MIB
- Décodage SIB1 à SIB16
- Procédures de sécurité NAS/AS — Sécurité pour la neige 3G/AES/ZUC
- Rapports CQI/RI/PMI
- Procédures de radiomessagerie avec communication du mode Inactif et Connecté
- Bande porteuse dédiée
- Bande porteuse dédiée initiée par réseau
- Bande porteuse dédiée initiée par UE
- Plusieurs connexions PDN (combinaisons IPv4 et IPv6), sous réserve de la prise en charge du système d’exploitation
- Mobilité intra-LTE en mode connecté
- Mobilité intra-LTE en mode inactif
- iRAT entre LTE/3G pour libération du mode connexion et inactif avec redirection
- Procédure de détachement
- Détachement initié par réseau avec rattachement requis
- Détachement initié par réseau suivi d’une libération de connexion
- Agrégation d'opérateurs
- Emplacement du poste
- Session de suivi personnalisable
- Session de suivi automatique au démarrage
- GPS, GLONASS, Galileo, BeiDou et QZSS autonomes en simultané
- GPS/GLONASS SUPL2.0 assisté
- GPS/GLONASS sur un connecteur dédié ou un connecteur de diversité
- gpsOneXTRA 1.0/2.0/3.0/3.1
- BeiDou sur un connecteur dédié ou un connecteur de diversité avec des performances réduites
- Galilée sur un connecteur dédié ou un connecteur Diversity
Applications
- Modems/Routeurs
- Informatique mobile
- IA
- Réseau privé
- Sécurité publique
- M2M industriel
- Diffusion vidéo
- Vidéo-surveillance
- VR/AR
- Automatisation industrielle
- Drones
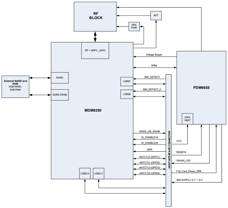
Schéma de principe du système
Schéma fonctionnel RF (émission) étendu
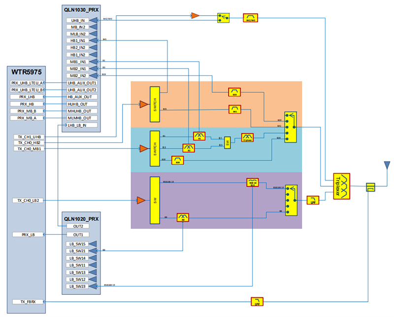
Schéma fonctionnel RF (réception/GNSS) étendu
Publié le: 2024-02-07
| Mis à jour le: 2024-03-04
