Sensirion Capteur numérique de qualité de l'air MOXSens®/CMOSens® SGP41D
Le capteur numérique de qualité de l'air CMOSens®/MOXSens® SGP41 de Sensirion est un système de capteur complet et facile à utiliser sur une seule puce disposant d'une interface I2C numérique et de micro-plaques chauffantes à température contrôlée, fournissant un signal de qualité de l'air intérieur basé sur les COV et un autre sur les NOx. L'élément de détection et l'algorithme de l'indice du gaz disposent d'une haute robustesse contre les gaz contaminants présents dans les applications de qualité de l'air, permettant une stabilité à long terme unique et une faible dérive. Mesurant 2,44 mm2 x 0,85 mm, le détecteur de gaz en boîtier DFN permet des applications dans des espaces limités. Le capteur numérique de qualité de l'air SGP41 MOXSens®/CMOSens® de Sensirion est conçu pour s'intégrer facilement aux purificateurs d'air ou aux systèmes de ventilation à la demande.Caractéristiques
- Détecteur de gaz MOx pour les applications de qualité de l'air
- Stabilité et durée de vie à long terme (>10 ans)
- Interface I2C avec signaux de sortie numériques
- Petit boîtier DFN 6 broches mesurant 2,44 mm2 x 0,85 mm
- Faible consommation d'énergie de 3,2 mA à 3,3 V
- Brasage par refusion
Applications
- Systèmes de ventilation contrôlés à la demande
- Purificateurs d'air
- Échangeurs d'air
- Hottes de cuisine
Caractéristiques techniques
- Performances
- Portée du signal de sortie
- 500 points d'indice COV et NOx
- 65 535 ticks, valeur brute numérique
- Plages de mesure
- Éthanol de 0 à 1 000 000 ppb dans de l'air propre, 500 ppb à 10 000 ppb spécifié
- 0 à 10 000 ppb NO2 dans de l'air propre, 50 ppb à 650 ppb spécifié
- Variation d'un dispositif à l'autre
- Points d'indice COV <± 15
- Points d'index NOX <± 50
- Répétabilité
- Points d'indice COV <± 5
- Points d'indice NOX <± 10
- Plage d'échantillonnage de 0,5 s à 10 s
- Portée du signal de sortie
- Caractéristiques électriques
- Plage de tension d'alimentation de 1,7 V à 3,6 V
- Courant de repos maximal 105 µA
- Plage de courant d'alimentation de fonctionnement de 3,2 mA à 6,9 mA
- Minutage
- Durée de mise sous tension et de réinitialisation progressive maximale de 0,6 ms, 0,4 ms standard
- Fréquence d'horloge SCL 400 kHz
- Plages de température
- Température de fonctionnement : de -10 ˚C à +50 ˚C
- Stockage de +5 °C à +30 °C
- Humidité relative
- Fonctionnement de 0 à 90 %
- Stockage de 0 à 80 %
Vidéos
Schéma de principe
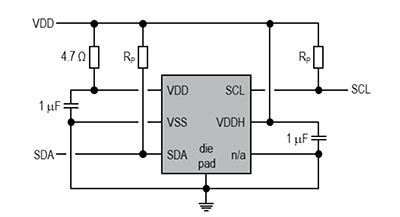
Circuit d'application
Publié le: 2021-10-21
| Mis à jour le: 2023-03-27
