STMicroelectronics Double amplificateur opérationnel à faible puissance LM2904B
Le double amplificateur opérationnel à faible puissance LM2904B STMicroelectronics est constitué de deux amplificateurs opérationnels à gain élevé (amplis op) indépendants avec compensation de fréquence mise en œuvre en interne. Ils sont spécialement conçus pour les systèmes de commande automobiles et industriels. Ce circuit fonctionne à partir d'une seule alimentation électrique sur une large plage de tensions. Le LM2904B STMicroelectronics est garanti un fonctionnement à tension d'alimentation jusqu'à 36 V. Le faible débit d'alimentation est indépendant de l'ampleur de la tension d'alimentation. Les domaines d'Application comprennent les amplificateurs de capteur, les blocs de gain CC et les circuits d'ampli-op conventionnels, qui peuvent désormais être mis en œuvre plus facilement dans les systèmes d'alimentation unique. Ces circuits peuvent être alimentés directement à partir de l'alimentation 5 V, qui est couramment utilisée dans les systèmes logiques. Il fournit rapidement les interfaces électroniques requises sans nécessiter d'alimentation supplémentaire. En mode linéaire, la plage de tension d'entrée en mode commun inclut la mise à la terre. La tension de sortie peut également basculer vers la terre, même si elle fonctionne à partir d'une seule alimentation.Caractéristiques
- Tension d'alimentation de fonctionnement jusqu'à 36 V
- Compensation de fréquence mise en œuvre en interne
- gain de tension CC élevé de 100 dB
- Large bande passante 1,2 MHz (compensée en température) (gain unitaire)
- Amplificateur/courant d'alimentation très faible, essentiellement indépendant de la tension d'alimentation
- Faible courant de polarisation d'entrée 20 nA (compensé en température)
- Faible courant de décalage d'entrée 2 nA
- La plage de tension d'entrée en mode commun comprend le rail négatif
- Plage de tension d'entrée différentielle égale à la tension d'alimentation
- Large oscillation de tension de sortie de 0 V à VCC -1,5 V
Applications
- Équipement de télécommunications
- Gestion de l'alimentation
- Applications industrielles
- Automobile
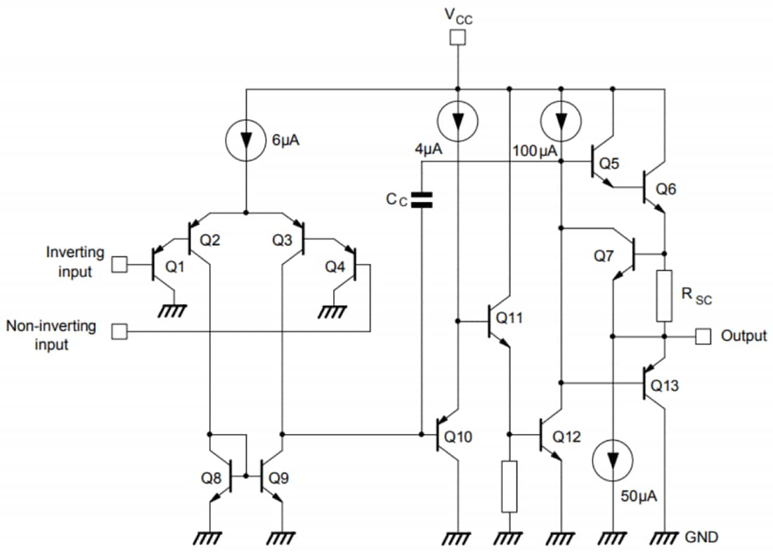
Schéma
Publié le: 2021-07-27
| Mis à jour le: 2022-03-11
