STMicroelectronics IGBT à court-circuit SLLIMM STGIB10CH60TS-L
Les IGBT robustes à court-circuit SLLIMM STGIB10CH60TS-LZ de STMicroelectronics sont des IGBT robustes à court-circuit SLLIMM (petit module moulé intelligent à faible perte) de deuxième série fournissant un pilote de moteur CA compact et à hautes performances dans une conception simple et robuste. Les IGBT SLLIMM STGIB10CH60TS-LZ intègrent des CI de contrôle propriétaires ST (un LS et un pilote HS) avec un IGBT à arrêt de champ et grille en tranchée robuste (TFS) et court-circuit amélioré.Caractéristiques
- Pont de convertisseur IGBT triphasé 600 V IPM comprenant 2 CI de contrôle pour le pilotage de grille et les diodes de roue libre
- Entrées de TTL/CMOS de 3,3 V, 5 V avec hystérésis
- Diode d'amorçage interne
- Verrouillage de sous-tension des commandes de grilles
- Fonction d'arrêt intelligente
- Protection contre les courts-circuits
- Entrée d'arrêt/sortie de défaillance
- Sorties d'émetteur ouvert séparées
- Capteur de température intégré
- Comparateur pour la protection contre les défaillances
- IGBT TFS résistants aux courts-circuits
- Diodes à récupération progressive et très rapide
- CTN 85 kΩ, UL 1434, reconnu CA 4
- Boîtier entièrement isolé
- Isolement nominal de 1 500 Vrms/min
- UL 1557, reconnaissance UL fichier E81734
- TVS intégré pour améliorer la protection DES
Applications
- Onduleurs triphasés pour les commandes de moteur
- Lave-linge
- Séchoir
- Pompes
- Climatiseurs
- Machines à coudre
Profil de boîtier
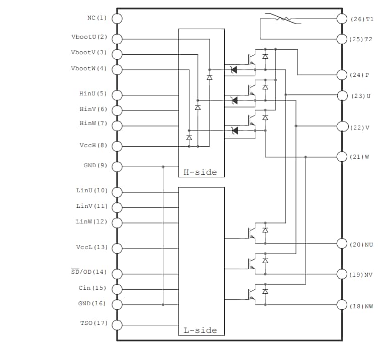
Schéma de principe interne
Publié le: 2020-10-30
| Mis à jour le: 2024-12-30
