STMicroelectronics IGBT nano SLLIMM STGIPQ4C60T-HZ
Les nano IGBT SLLIMM STGIPQ4C60T-HZ de STMicroelectronics fournissent un entraînement de moteur CA compact à hautes performances dans une conception simple et robuste. Les IGBT STGIPQ4C60T-HZ sont composés de six IGBT à arrêt de champ et grille en tranchée résistants aux courts-circuits améliorés avec diodes de roue libre et trois HVIC à demi-pont pour le pilotage de grille. Les composants génèrent des interférences électromagnétiques réduites, avec une vitesse de commutation optimisée.Le boîtier nano-IGBT STGIPQ4C60T-HZ SLLIMM STM est conçu pour accueillir un meilleur dissipateur thermique à visser plus facilement et optimiser les performances thermiques ainsi que la compacité dans les applications de moteurs intégrés ou dans d'autres applications à faible puissance où l'espace d'assemblage est limité. L'IPM comprend un amplificateur opérationnel totalement neutre et un comparateur qui peut être utilisé pour concevoir un circuit de protection rapide et efficace.
Caractéristiques
- Onduleur triphasé en pont IGBT, 600 V IMP 6A comprenant des CI de commande pour le pilotage de grille et des diodes de récupération
- Comparateurs d'entrée TTL/CMOS 3,3 V, 5 V, 15 V avec hystérésis et résistances pull-down/pull-up
- Diode interne bootstrap
- Optimisé pour des interférences électromagnétiques réduites
- Verrouillage en sous-tension
- IGBT TFS résistant aux courts-circuits
- Fonction d'arrêt
- Fonction de verrouillage
- Amplificateurs opérationnels pour une détection avancée du courant
- Comparateur pour la protection contre les surintensités
- Valeurs nominales d'Isolation de 1 500 Vrms/min
- NTC (UL 1434 CA 2 et 4)
- Protection ESD jusqu'à ±2 kV (HBM C = 100 pF, R = 1,5 kΩ)
- Reconnaissance UL : UL 1557, fichier E81734
Applications
- Onduleurs triphasés pour les commandes de moteur
- Lave-vaisselle
- Lave-linge
- Compresseurs de réfrigérateur
- Ventilateurs
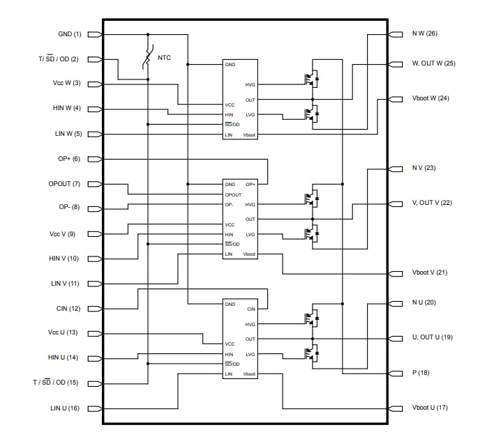
Schéma de principe interne
Publié le: 2021-03-08
| Mis à jour le: 2022-03-11
