![]() |
Comparateurs de tension CMOS TSX3702 STMicroelectronicsLes comparateurs de tension CMOS TSX3702 STMicroelectronics sont des comparateurs à double tension et micro-puissance qui présentent une consommation de courant très basse de 5 µA en moyenne. Ce composant a été conçu comme l'amélioration du TS3702 : il présente une consommation de courant plus faible, une meilleur tension de décalage en entrée et une tolérance ESD améliorée. Le TSX3702 est totalement spécifié sur une vaste plage de température et est recommandé pour le secteur automobile et un boîtier SO8. Il est totalement compatible avec le comparateur CMOS TS3702 et est disponible en boîtiers similaires. De nouveaux boîtiers minuscules (MiniSO8 et DFN8 2 x 2 mm) sont également disponibles pour le TSX3702, permettant ainsi encore plus d'intégration dans les applications. |
|
Caractéristiques
Applications |
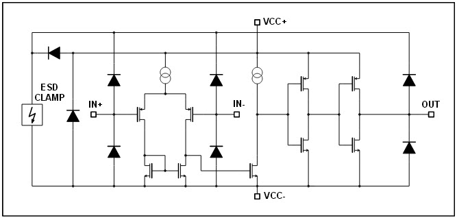
Schéma![]() |
![]() |
Publié le: 2014-12-15
| Mis à jour le: 2022-03-21





