Texas Instruments Convertisseurs analogiques à numériques (CAN) ADC364x
Les convertisseurs analogiques-numériques (CAN) ADC364x de Texas Instruments sont des CAN à faible bruit, à ultra-faible puissance, à 14 bits, de 10 MS/S à 65 MS/S, à deux canaux et à grande vitesse. Ces CAN ADC364x sont conçus pour une consommation de faible puissance et présentent une densité spectrale de bruit de -155 dBFS/Hz, associée à une excellente linéarité et portée dynamique. Les CAN ADC364x ne consomment que 72 mW/ch à 65 MS/S et la consommation d’énergie s’échelonne bien avec des taux d’échantillonnage plus faibles.L’ADC364x de TI offre une excellente précision CC et un support d’échantillonnage IF, ce qui en fait un choix parfait pour de nombreuses applications. Il fournit des données à l’aide d’une interface DDR ou CMOS série, offrant ainsi l’interface numérique la moins gourmande en énergie et la flexibilité nécessaire pour minimiser le nombre d’interconnexions numériques. Ces dispositifs sont une famille compatible broche à broche avec différents niveaux de vitesse.
Les CAN ADC364x supportent la plage de température industrielle étendue de -40 à +105 °C et sont disponibles dans un boîtier VQFN à 40 broches.
Caractéristiques
- Canal double
- CAN 14 bits 10/25/65 MS/s
- Seuil de bruit de -155 dBFS/Hz
- Ultra-faible puissance avec une mise à l’échelle de la puissance optimisée de 29 mW/canal (10 MS/S) à 72 mW/canal (65 MS/S)
- La latence est d’un cycle d’horloge
- 14 bits, aucun code manquant
- INL de ±0,6 LSB ; DNL : ±0,2 LSB
- Référence interne ou externe
- Plage de température industrielle de –40° C à +105° C
- Filtre numérique sur puce (facultatif)
- Décimation par 2, 4, 8, 16, 32
- NCO 32 bits
- Interface DDR et série CMOS
- Faible empreinte du boîtier 40-VQFN (5 mm × 5 mm)
- Alimentation unique 1,8 V
- Performance spectrale (fIN = 5 MHz)
- SNR : 79,0 dBFS
- SFDR : 93 dBc HD2, HD3
- SFDR : 101 dBFS le pire embranchement
- Performance spectrale (fIN = 64 MHz)
- SNR de 74,0 dBFS
- SFDR de 84 dBc HD2, HD3
- SFDR du pire embranchement de 90 dBFS
Applications
- Acquisition de données haut débit
- Supervision industrielle
- Imagerie thermique
- Imagerie et sondeur
- Radio paramétrée par logiciel
- Qualité de la puissance
- Infrastructure de communication
- Boucles de contrôle à haute vitesse
- Instrumentation
- Réseaux intelligents
- Spectroscopie
- Radar
- Unité de mesure de la source (SMU)
- Récepteur GPS
- Sondeur
- Automatisation des sous-stations
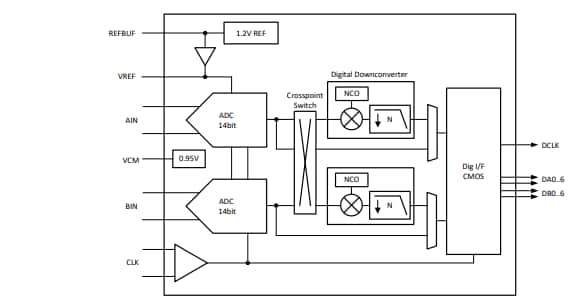
Schéma fonctionnel
Publié le: 2020-12-15
| Mis à jour le: 2024-10-18
