Texas Instruments Double pilote de moteur à pont en H DRV8410
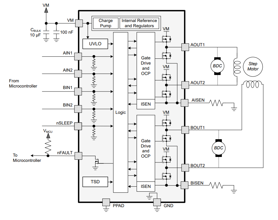
Le double pilote de moteur à pont en H DRV8410 de Texas Instruments gère un ou deux moteurs à balais CC, un moteur pas à pas, des solénoïdes ou d'autres charges inductives. La pompe de charge triple permet au DRV8410 de fonctionner jusqu'à 1,65 V, prenant en charge des rails d'alimentation de 1,8 V et des conditions de batterie faible. La pompe de charge intègre tous les condensateurs et fournit un fonctionnement à rapport cyclique de 100 %. Entre-temps, les entrées et les sorties peuvent être mises en parallèle pour piloter des moteurs CC à balais à courant élevé avec la moitié de la RDS(ON). Le dispositif met en œuvre une régulation de courant en comparant une tension interne de référence à la tension sur les broches xISEN, qui est proportionnelle au courant de moteur via une résistance externe de détection. La limitation du courant peut réduire de manière significative les courants élevés pendant le démarrage du moteur et les conditions de butée.Un mode veille à faible puissance réalise un courant de repos ultra faible en arrêtant la plupart des circuits internes. Les fonctionnalités internes de protection comprennent les sous-tensions, les surintensités et les surchauffes. Le DRV8410 fait partie d’une famille de dispositifs à paramètres évolutifs de RDS(ON) broche-à-broche, ce qui permet la prise en charge de diverses charges à minimum de modifications de conception.
Caractéristiques
- Double pilote de moteurs à pont en H, peut piloter -
- Un moteur pas-à-pas bipolaire
- Un ou deux moteurs CC à balais
- Solénoïdes et autres charges inductives
- Faible résistance à l'état passant HS + LS = 800 mΩ (standard, 25 °C)
- Large plage de tension d'alimentation de 1,65 V à 11 V
- Compatible broche à broche avec -
- Le DRV8833 dispose d'un pont/360 mΩ
- Le DRV8833C dispose d'un pont/1 735 mΩ
- Le DRV8847 dispose d'un pont/1 000 MΩ
- Le DRV8411 dispose d'un pont/400 mΩ
- Le DRV8411A dispose d'un pont/400 mΩ
- Capacité de courant de sortie élevé de crête de 2,5 A
- Interface de contrôle PWM
- Prend en charge les entrées logiques 1,8 V, 3,3 V et 5 V
- Régulation de courant intégrée
- Mode veille de faible puissance ≤ 30 nA sous VVM = 5 V, TJ = +25 °C
- Boîtier de petite taille et empreinte réduite
- HTSSOP à 16 broches avec PowerPAD™, 5,0 mm x 4,4 mm
- WQFN à 16 broches avec PowerPAD™, 3,0 mm x 3,0 mm
- Fonctionnalités intégrées de protection
- Verrouillage de sous-tension VM (UVLO)
- Protection contre les surintensités à relance automatique (OCP)
- Arrêt thermique (TSD)
- Broche indiquant une défaillance (nFAULT)
Applications
- Jouets alimentés par piles
- Imprimantes PDV
- Caméras de sécurité vidéo
- Machines et automatismes bureautiques
- Machines de jeux
- Robotique
- Verrouillages électroniques intelligents
- Charges solénoïdes à usage général
Schéma simplifié
Schéma fonctionnel
Publié le: 2022-12-19
| Mis à jour le: 2024-07-15
