Texas Instruments Diode de protection DES ESD562/ESD562-Q1
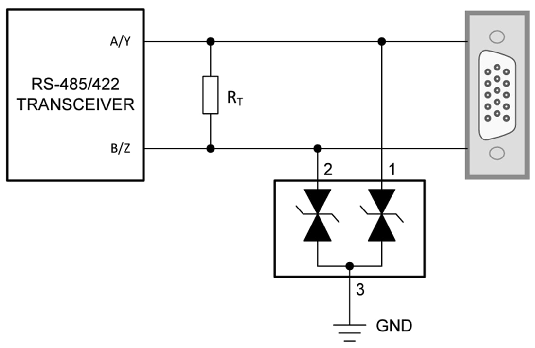
La diode de protection DES bidirectionnelle ESD562/ESD562-Q1 Texas Instruments est conçue pour la protection des interfaces RS-485 et RS-422. L'ESD562/ESD562-Q1 est conçu pour dissiper les décharges DES au-delà du niveau maximal spécifié dans la norme internationale CEI 61000-4-2 (contact±22 kV, entrefer ±30 kV). Le dispositif peut fixer des surtensions de 8/20 µs avec des courants d'impulsion crête jusqu'à 3 A conformément à la norme CAI 61000-4-5.Ce dispositif dispose d'une capacité d'interface de 1,5 pF (standard), ce qui permet une protection d'interface à haute vitesse. La faible tension de serrage dans les directions positive et négative aide à protéger les systèmes contre les événements transitoires. Cette protection est essentielle dans les systèmes industriels, qui nécessitent un niveau élevé de robustesse et de fiabilité. Le ESD562/ESD562-Q1 Texas Instruments est disponible dans un petit boîtier SOT-23 (DBZ) plombé. Les dispositifs ESD562-Q1 sont qualifiés AEC-Q100 pour les applications automobiles.
Caractéristiques
- Protection contre les surtensions CEI 61000-4-5
- 3,5 A (8/20 µs)
- Protection ESD IEC 61000-4-2
- Décharge de contact à ±22 kV
- Décharge entrefer ±30 kV
- Tension de fonctionnement de 12 V
- Capacité d'E/S
- 1,5 pF (typique)
- Polarité bidirectionnelle pour prendre en charge les variations de tension positives et négatives
- Un dispositif à deux canaux offre une protection ESD complète avec un seul composant.
- Le SOT-23 petit et plombé permet une inspection optique automatique (AOI) à faible coût
Applications
- Équipement final
- Automatisation et commande d'usine
- Immotique
- Infrastructure de réseau
- Systèmes CVC
- Systèmes de sécurité
- Interfaces
- RS-485
- RS-422
Schéma d'application standard
Publié le: 2024-04-16
| Mis à jour le: 2025-05-15
