Texas Instruments Module d'évaluation pour émetteur-récepteur ISOW1044DFMEVM
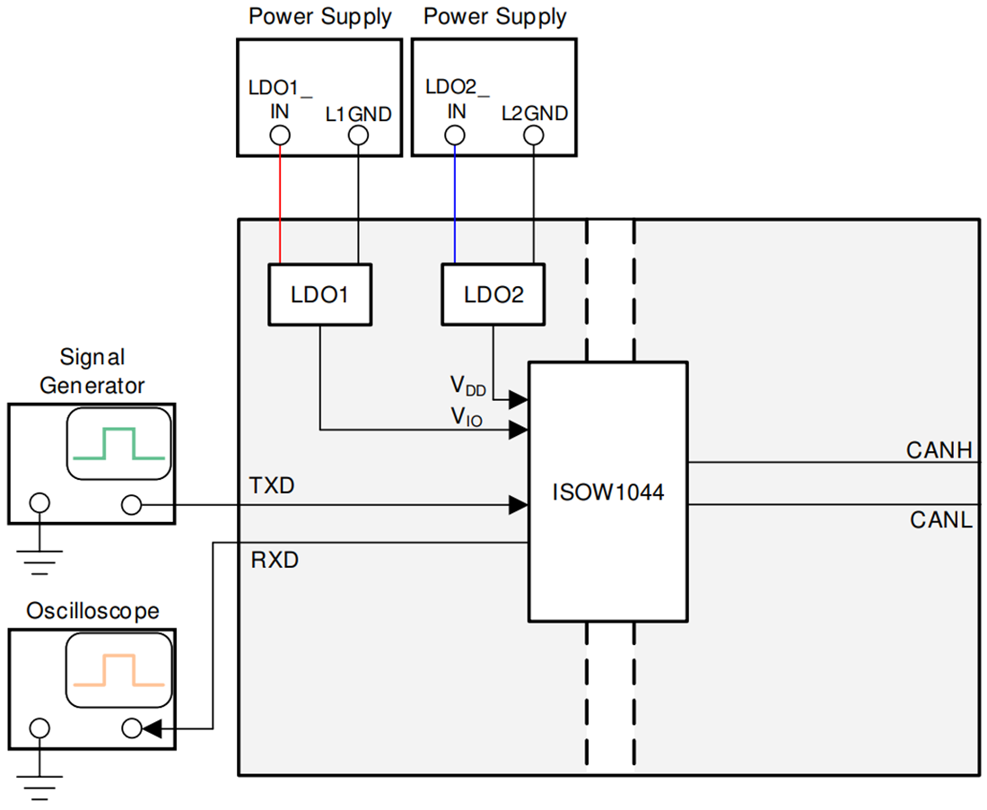
Le module d'évaluation (EVM) émetteur-récepteur ISOW1044DFMEVM de Texas Instruments est utilisé pour évaluer l'ISOW1044. L'ISOW1044 est un émetteur-récepteur CAN isolé renforcé à 5 000 VRMS hautes performances avec un convertisseur CC-CC intégré à haut rendement et faible émission ISOW1044 en boîtier SOIC WB à 20 broches (code DFM boîtier). L'ISOW1044DFMEVM permet à un utilisateur d'évaluer soigneusement le dispositif ISOW1044 avant d'intégrer le dispositif dans sa conception. Pour que le module d'évaluation puisse facilement alimenter à partir de diverses sources d'alimentation, y compris les alimentations régulées, les adaptateurs CC standard et les batteries, le module d'évaluation comprend deux LDO de sortie réglables (LM317M). Ces LDO sont connectés aux broches VIO et VDD d'ISOW1044. Cette connexion permet aux entrées LDO de se connecter à une plage plus large de tensions d'alimentation. La tension optimale pour le fonctionnement normal du module d'évaluation est comprise entre 9 V et 12 V. L'ISOW1044DFMEVM de Texas Instruments comprend également un oscillateur intégré (LTC6908-1) qui peut être connecté aux broches d'entrée (TXD et IN) des résistances ISOW1044 à 0 Ω. L'oscillateur permet de fournir un signal de test rapide pour vérifier le fonctionnement du dispositif.Caractéristiques
- Émetteur-récepteur CAN isolé renforcé 5 000 VRMS hautes performances avec convertisseur CC-CC intégré à haut rendement et faible émission
- Entrées d'alimentation CC/CC et E/S séparées
- Large plage de tension d'alimentation de 1,71 V à 5,5 V pour E/S
- Prend en charge CAN FD
- Conforme aux limites d'émissions par rayonnement CISPR 32 de classe B
- Ce module d'évaluation est testé et comprend des dispositions pour l'évaluation du dispositif ISOW1044
Configuration du Test
Publié le: 2021-05-17
| Mis à jour le: 2022-03-11
