Régulateur de commutation LM25011 Texas Instruments

Régulateur de commutation LM25011 Texas Instruments

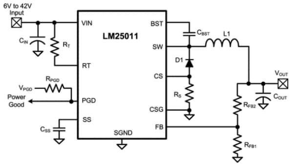
Le régulateur de commutation abaisseur à temps actif constant LM25011 Texas Instruments dispose de toutes les fonctions nécessaires pour mettre en place un régulateur polarisé de type Buck efficace et économique, capable de fournir jusqu'à 2 A de courant de charge. Ce régulateur à haute tension contient un commutateur Buck à canal N, un régulateur de démarrage, une détection de limite de courant et un contrôle de l'ondulation interne. Le principe de régulation à temps actif constant ne nécessite pas de compensation de boucle, ce qui entraîne une réponse transitoire rapide et simplifie la mise en œuvre des circuits. La fréquence de fonctionnement reste constante selon la ligne et la charge. La détection de la limite de courant en creux réglable résulte d'une transition progressive à partir d'une tension constante vers un mode à courant constant quand la limite de courant est atteinte, sans utiliser de repli de limite de courant. La sortie PGD indique une augmentation de la tension de sortie dans les 5 % de la valeur de régulation attendue. Les caractéristiques supplémentaires incluent : faible ondulation en sortie, verrouillage de VIN en sous-tension, durée de démarrage progressif réglable, arrêt thermique, pré-charge du pilote de grille, verrouillage de pilote de grille en sous-tension et limite de cycle actif maximal. Le LM25011A a une durée d'inactivité minimale plus courte que le LM25011, ce qui permet un fonctionnement à plus haute fréquence à des tensions d'entrée plus faibles.


Caractéristiques
  • Le LM25011Q est un produit de classe automobile qualifié AECQ100 classe 1 (température de jonction de fonctionnement de -40 °C à 125 °C)
  • Le LM25011A permet un fonctionnement à faible chute à haute fréquence de commutation
  • Plage de tension de fonctionnement en entrée : de 6 V à 42 V
  • Valeur maximale absolue en entrée : 45 V
  • Commutateur Buck canal N et 2 A intégré
  • Limite de courant réglable permettant un inducteur plus petit
  • Tension de sortie réglable à partir de 2,51 V
  • Tension d'ondulation minimale à VOUT
  • Sortie de validation de puissance
  • Fréquence de commutation réglable jusqu'à 2 MHz


  • Caractéristiques de la topologie COT :
    • La fréquence de fonctionnement reste presque constante quelles que soient les variations du courant de charge et de la tension de sortie
    • Réponse transitoire ultra-rapide
    • Aucune compensation de boucle requise
    • Fonctionnement stable avec un condensateur céramique en sortie
    • Permet de plus petits condensateurs en sortie et de plus petites résistances de détection du courant
  • Durée de démarrage doux réglable
  • Arrêt thermique
  • Référence de la rétroaction de précision à 2 %
  • Boîtier : 10 broches, VSSOP

Application standard
Application standard

Schéma de fonctionnement
Schéma de fonctionnement

eNews
  • Texas Instruments
Publié le: 2014-05-08 | Mis à jour le: 2022-03-11