Texas Instruments Extensions d'E/S 8 bits TCAL9538
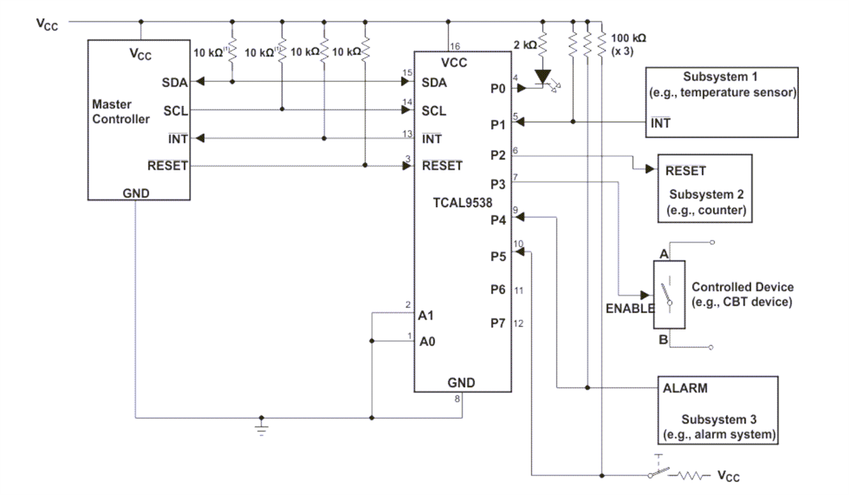
Les extensions d'E/S 8 bits TCAL9538 de Texas Instruments sont développées pour le protocole de bus I2C (ou SMBus) bidirectionnel à deux lignes et fournissent un fonctionnement de 1,08 V à 3,6 V VCC. Le TCAL9538 prend en charge les fréquences d'horloge I2C de 100 kHz (mode standard), 400 kHz (mode rapide) et 1 MHz (mode rapide plus). Les extensions d'E/S offrent une solution simple lorsque des E/S supplémentaires sont nécessaires pour les capteurs, commutateurs, boutons-poussoirs, LED, ventilateurs, etc.Le TCAL9538 de TI comprend des ports d'E/S agiles avec des fonctionnalités supplémentaires conçues pour améliorer les performances d'E/S en termes de vitesse, de consommation d'énergie et d'EMI. Les fonctionnalités comprennent une force d'attaque de sortie programmable, des résistances pull-up et pull-down programmables, des entrées verrouillables, une interruption masquable, un registre d'état d'interruption et des sorties programmables à drain ouvert ou push-pull.
Caractéristiques
- Plage de tension d'alimentation de fonctionnement de 1,08 V à 3,6 V
- Faible consommation de courant en veille de 1 µA standard à 1,8 V
- Bus I2C en mode rapide plus à 1 MHz
- La broche d'adresse matérielle permet à deux dispositifs d'être sur le même bus I2C ou SMBus
- Entrée de réinitialisation active-basse (RESET)
- Sortie d'interruption active à drain ouvert basse (IN)
- Registre de configuration d'entrées ou de sorties
- Registre d'inversion de polarité
- Résistance d'entraînement de sortie de broche E/S configurable
- Registre de configuration des résistances pull-up et pull-down
- Réinitialisation interne de l'alimentation
- Filtre de bruit sur les entrées SCL ou SDA
- Sorties verrouillées avec capacité de pilotage de courant élevé maximale pour piloter directement les LED
- Les performances de verrouillage dépassent 100 mA selon JESD 78, catégorie II
- La protection ESD dépasse JESD 22
- Modèle corps humain 4000 V (A114-A)
- Modèle appareil chargé 1 000 V (C101)
Applications
- Serveurs
- Routeurs (équipement de commutation de télécom)
- Ordinateurs personnels
- Appareils électroniques personnels
- Automatisation industrielle
- Consoles de jeux
- Produits avec processeurs de broches GPIO limitées
Schéma simplifié
Schéma d'application standard
Schéma logique (logique positive)
Publié le: 2024-01-25
| Mis à jour le: 2024-10-30
