Texas Instruments Module d’évaluation TIEVM-ARC-AFE
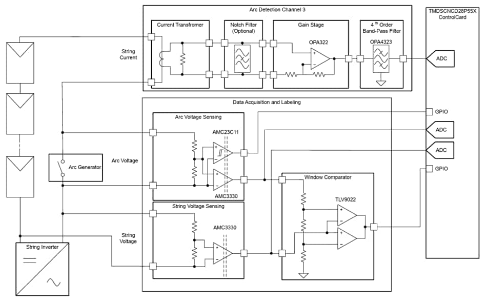
Le module d’évaluation TIEVM-ARC-AFE de Texas Instruments dispose d’un frontal analogique pour la détection d’arc CC dans les applications solaires basées sur l’intelligence artificielle (IA). L’arc électrique CC génère un bruit haute fréquence sur le courant de la chaîne CC. Les données sont reçues et transmises à un modèle d’IA intégré qui est entraîné pour identifier l’arc afin de détecter la fréquence de l’arc électrique. Comparées aux approches traditionnelles de détection d’arc, ces caractéristiques permettent d’obtenir une précision supérieure avec moins d’effort de calcul. En plus de la chaîne de signal pour la détection des arcs, cette structure offre des fonctionnalités de collecte et d’étiquetage des données d’arc pour la formation du modèle d’IA intégré.Ce matériel fonctionne avec le TMDSCNCD28P55X, la controlCARD des dispositifs C2000™ F28P55x et d’autres cartes de contrôle C2000 dans le connecteur à 180 broches. Il fait partie d’une chaîne d’outils de détection d’arc basée sur l’IA, qui comprend différents outils logiciels pour collecter des données d’arc, former un modèle d’IA intégré et valider le système.
Le TIEVM-ARC-AFE de TI est la version commandable de la conception de référence TIDA-010955.
Caractéristiques
- Frontal analogique à 4 canaux pour la détection d’arc basée sur l’IA
- Frontal analogique configurable avec filtre passe-bande et à encoches
- Entrées de mesure de la tension de la chaîne et de la tension de l’écart d’arc pour l’acquisition de données d’entraînement
- Circuits d’étiquetage automatique pour générer des données d’arc étiquetées
- Fonctionne avec les dispositifs TMDSCNCD28P55X, controlCARD des dispositifs C2000 F28P55x, ainsi qu’avec d’autres controlCARD C2000 dans un connecteur à 180 broches
- Modèles d’IA intégrés sélectionnés pour un démarrage rapide dans la détection d’arc basée sur l’IA
Applications
- Protection de l’arc solaire
- Convertisseur à chaîne
- Convertisseur central
Schémas du circuit de détection de courant
Configuration de test
Schéma fonctionnel de la configuration de test d’arc
Publié le: 2025-02-19
| Mis à jour le: 2025-03-05
