Texas Instruments eFuses limitation de puissance TPS1663x 60 V, 6 A
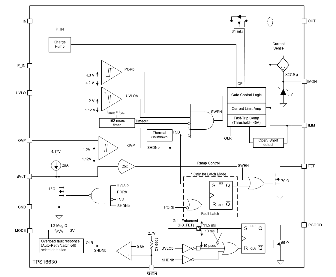
Les fusibles électroniques (eFuses) de limitation de puissance 60 V 6 A TPS1663x de Texas Instruments avec un FET intégré de 31 mΩ offrent une protection précise contre les surintensités, un contrôle de la vitesse de balayage de la sortie, une protection contre les surtensions et un verrouillage en cas de sous-tension. Ces eFuses intègrent une fonctionnalité de limitation de la puissance de sortie réglable (PLIM) qui simplifie et permet la conformité aux normes telles que IEC61010-1 et UL1310. Les eFuses TPS1663x sont disponibles dans un boîtier VQFN 24 broches de 4 mm × 4 mm et sont spécifiés sur une plage de température allant de -40 °C à +125 °C. Ces eFuses sont utilisés dans les radios de télécommunications, les imprimantes industrielles, les entraînements de moteurs et les automatismes et contrôles d'usine.Les eFuses TPS1663x comprennent une fonction de surintensité réglable et une sortie de bonne alimentation (PGOOD). PGOOD peut être utilisé pour activer et désactiver le contrôle des convertisseurs CC-CC en aval. Les appareils offrent une broche d'arrêt utilisant une commande externe pour activer et désactiver le FET interne et placer l'appareil dans un mode d'arrêt à faible courant. Les eFuses TPS1663x fournissent une sortie de contrôle de défaut et de courant précis pour la surveillance de l'état du système et le contrôle de la charge en aval. La broche MODE offre une grande flexibilité en permettant à l'appareil de se configurer entre les deux réponses de défaut limitant le courant (verrouillage et ré-essai automatique).
Caractéristiques
- Tension de fonctionnement de 4,5 V à 60 V
- FET intégré 60 V, 31 mΩ RON remplaçable à chaud
- Limite de courant réglable de 0,6 A à 6 A (±7 %)
- Faible courant de repos, 21 µA à l'arrêt
- Limitation réglable de la puissance de sortie (TPS16632 uniquement)
- UVLO et OVP réglables avec une précision de ±2 %
- Limitation de surtension maximale fixe de 39 V (TPS16632 uniquement)
- Contrôle réglable de la vitesse de balayage de la sortie pour limiter le courant d'appel
- Charge des charges capacitives importantes et inconnues par régulation thermique lors de la mise sous tension du dispositif
- Sortie Power Good (PGOOD)
- Options de réponse aux défauts de surintensité sélectionnables entre le rappel automatique et le verrouillage (MODE)
- Sortie analogique de contrôle du courant (IMON) (±6 %)
- UL 2367 reconnu
- Numéro de dossier E169910
- RILIM ≥ 3 kΩ
- Certifié IEC 62368-1
- Capable d'assurer la sécurité fonctionnelle
- Documentation disponible pour aider à la conception de systèmes de sécurité fonctionnelle
- Disponible dans un boîtier VQFN 24 broches facile à utiliser
Applications
- Automatisation et contrôle d'usine - PLC, DCS, HMI, modules E/S, concentrateurs de capteurs
- Entraînements de moteurs - CNC, alimentation d'encodeurs
- Disjoncteurs électroniques
- Radios de télécommunications
- Imprimantes industrielles
Block Diagram
Output Power Limiting Performance
Simplified Schematic
