Texas Instruments Convertisseur Buck synchrone TPS542A52
Les convertisseurs Buck synchrones TPS542A52 de Texas Instruments offrent une efficacité élevée avec une détection différentielle à distance. Ces dispositifs sont dotés d'une fréquence fixe, et d'un mode de contrôle de la tension avec une compensation interne sélectionnable par la sangle de broche, ce qui réduit le coût et la complexité du système. Le PWM (modulation de largeur d'impulsion) peut être synchronisé avec une horloge externe via la broche SYNC.Les convertisseurs Buck synchrones TPS542A52 de TI comprennent également d'autres caractéristiques essentielles telles que la PFM pour une efficacité élevée en charge légère, un faible appel de courant de repos à l'arrêt, un UVLO réglable via la broche EN, et un démarrage monotone dans des conditions de polarisation préalables.
Les convertisseurs Buck TPS542A52 sont sans plomb dans un boîtier VQFN de 4,5 mm × 4 mm et sont entièrement conformes à la directive RoHS sans exemption.
Caractéristiques
- Les MOSFET intégrés de 9,1 mΩ et 2,6 mΩ prennent en charge un courant de sortie pouvant atteindre 15 A
- Plage de tension de sortie de 0,5 à 5,5 V
- Mode de contrôle de tension à fréquence fixe avec compensation interne sélectionnable
- Sept réglages de fréquence sélectionnables de 400 kHz à 2,2 MHz
- Synchronise avec une horloge externe
- Détection à distance entièrement différentielle
- Six limites de surintensité sélectionnables, quatre vitesses de balayage à démarrage progressif
- Démarrage monotone vers sorties pré-polarisées
- Broche EN permettant un UVLO d'entrée réglable
- Indicateur de bonne alimentation
- Courant de repos d'arrêt standard de 17 µA
- FCCM ou PFM sélectionnable pour un rendement à faible charge
- Température de jonction de fonctionnement de –40 °C à +150 °C
- Boîtier VQFN 4 mm × 4,5 mm
- Créez une conception personnalisée en utilisant le TPS542A52 avec le WEBENCH® Power Designer
Applications
- Communications sans fil
- Puissance du frontal analogique
- Matériel de test et de mesure
- Imagerie médicale
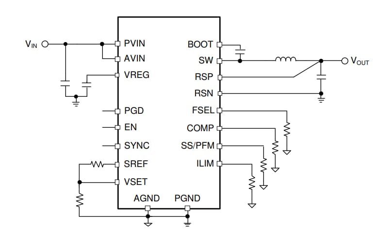
Schéma simplifié
Publié le: 2020-12-22
| Mis à jour le: 2024-10-24
