Texas Instruments Régulateurs linéaires à faible perte de niveau TPS723x
Les régulateurs linéaires à faible perte de niveau TPS723x de Texas Instruments offrent une combinaison idéale de caractéristiques pour prendre en charge les applications à faible bruit. Les LDO TPS723x peuvent fonctionner avec des tensions d’entrée de -10 V à -2,7 V et prendre en charge des sorties de -10 V à -1,2 V. Les LDO sont stables avec de petits condensateurs céramiques économiques et comprennent des fonctions d’activation (EN) et de réduction du bruit (NR). Le composant offre des protections comme contre les courts-circuits thermiques et les surintensités, fournies par la détection interne et la logique d'arrêt. Un PSRR élevé (65 dB à 1 kHz) et un faible bruit (60 ° VRMS) rendent le TPS723x de Texas Instruments idéal pour les applications à faible bruit.Caractéristiques
- Bruit ultra-faible standard 60 ° µVRMS
- 65 dB standard à 1 kHz PSRR élevé
- 280 mV standard à 200 mA, faible tension de décrochage de 2,5 V
- Disponible en versions –2,5 V et réglables (–1,2 V à –10 V)
- Stable avec un condensateur de sortie céramique de 2,2 µF
- Courant de repos standard inférieur à 2 µA en mode arrêt
- 2 % de précision globale (ligne, charge, température)
- Protection thermique et contre les surintensités
- Boîtiers
- SOT23-5 (DBV)
- SOT23-5 (DDC)
- WSON-6 (DRV)
- Plage de température de jonction de fonctionnement de -40 °C à 125 °C
Applications
- Modules optiques
- Fabrication de dispositifs semiconducteurs
- Accessoires médicaux
- Oscilloscopes
- mMIMO système d'antennes actives (AAS)
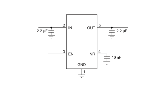
Schéma de principe
Publié le: 2020-01-24
| Mis à jour le: 2024-05-14
