Analog Devices Inc. Carte détachable EVAL-ADXL373Z
La carte détachable EVAL-ADXL373Z d'Analog Devices Inc. démontre les performances de l'accéléromètre micro-puissance ADXL373, 3 axes, +/-400 g, à sortie numérique et systèmes microélectromécaniques (MEMS). La carte EVAL-ADXL373Z d'ADI est idéale pour évaluer l'ADXL373 dans un système existant car la rigidité et la petite taille de la carte d'évaluation minimisent l'effet de la carte sur le système et les mesures d'accélération.Caractéristiques
- 2 ensembles de vias espacés pour la population des embases à 5 broches
- Simplement attaché à la carte de prototypage ou à la carte PCB
- La petite taille et la rigidité de la carte minimisent l'impact sur le système et les mesures d'accélération
Équipement nécessaire
- Processeur hôte externe
Topologie
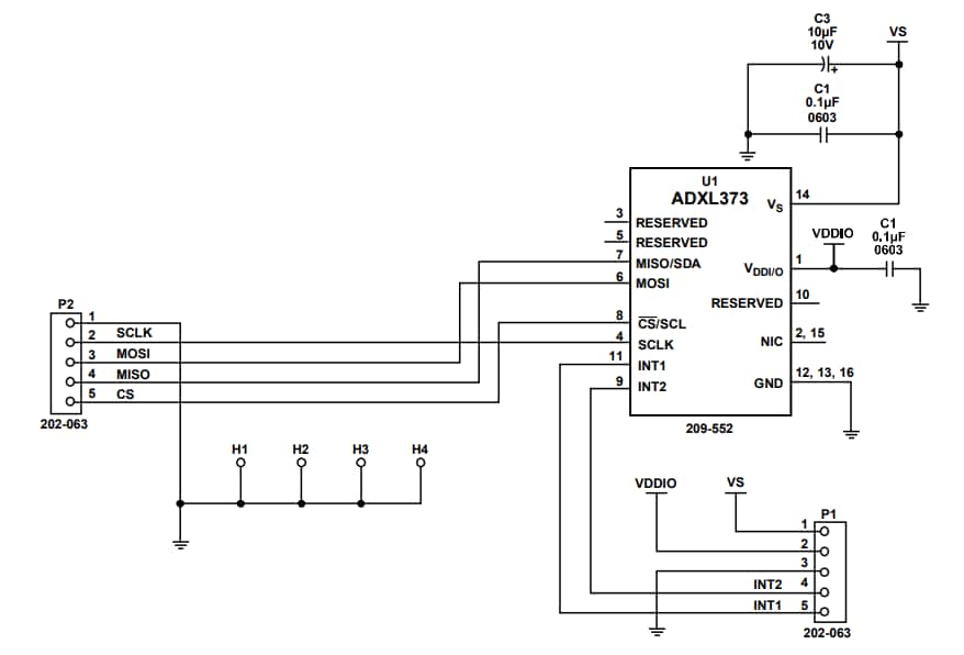
Schéma
Publié le: 2021-06-28
| Mis à jour le: 2022-03-11
