Nisshinbo NJM4582 Audio Dual Operational Amplifier
Nisshinbo NJM4582 Audio Dual Operational Amplifier features an SSOP8-A3 package and is designed for improving tone control in audio applications. The amplifier provides noiseless, higher gain bandwidth, high output current, and low distortion ratio. Other features include ±2V to ±18V operating voltage range and bipolar technology. Nisshinbo NJM4582 Dual Operational Amplifier is ideal for use in acoustic electronic parts of audio pre-amplifiers, active filters, and industrial measurement tools.Features
- ±2V to ±18V operating voltage range
- 0.8μVrms typ. (RIAA) input noise voltage
- 15MHz typ. GBW rating
- 0.0005% typ. distortion
- 5V/μs typ. slew rate
- Bipolar technology
- SSOP8-A3 package outline
Applications
- Acoustic electronic parts
- Audio pre-amplifiers
- Active filters
- Industrial measurement tools
Pin Configuration
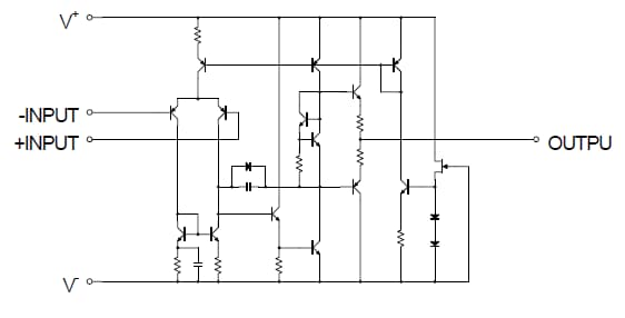
Equivalent Circuit (1/2 Shown)
Publié le: 2016-05-26
| Mis à jour le: 2022-03-11
